Запчасти Komatsu PC30MR-2 КРЕПЛЕНИЕ ОСН. КОНСТРУКЦИИ (НАКЛОН. СИСТЕМА) (НАВЕС) КАБИНА ОПЕРАТОРА И СИСТЕМА УПРАВЛЕНИЯ

Схема запчастей Komatsu PC30MR-2 - КРЕПЛЕНИЕ ОСН. КОНСТРУКЦИИ (НАКЛОН. СИСТЕМА) (НАВЕС) КАБИНА ОПЕРАТОРА И СИСТЕМА УПРАВЛЕНИЯ
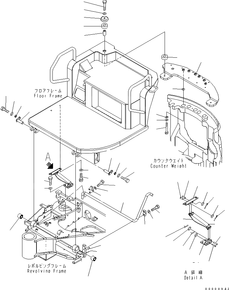
1
2
3
4
5
6
6
7
8
9
10
11
11
12
12
13
13
14
14
15
15
16
17
18
19
19
20
20
21
22
23
24
24
25
25
26
27
28
29
30
31
32
33
34
35
36
37
38
FIT
1:1
100%

Артикул

Название

Примечание

Количество

1

22L-54-22112

BRACKET

2

01011-81410

BOLT

3

01643-31445

WASHER

4

01643-32060

WASHER

5

21R-54-11710

WASHER

6

203-54-21110

CUSHION

7

22L-54-22321

COLLAR

8

22L-54-22332

COLLAR

8

22L-54-22331

COLLAR

9

01010-81685

BOLT

10

01643-31645

WASHER

11

22L-54-22231

BUSHING

12

22L-54-22191

PIN

12

22L-54-22190

PIN

13

22J-70-11550

COLLAR

14

01010-81020

BOLT

15

01643-31032

WASHER

16

22L-54-22390

SPRING, GAS

17

04205-31032

PIN

18

04205-31042

PIN

19

04052-21038

PIN,SNAP

20

01643-31032

WASHER

21

22L-54-22280

WIRE

22

04205-30830

PIN

23

22L-54-22250

PIN

24

01643-30823

WASHER

25

04052-20833

PIN,SNAP

26

22L-54-22761

BRACKET

27

01010-81025

BOLT

28

01643-31032

WASHER

29

22L-54-22751

BRACKET

30

01010-81025

BOLT

31

01643-31032

WASHER

32

22L-54-22131

BAR

33

22L-54-22211

CLAMP

34

01010-81030

BOLT

35

01643-31032

WASHER

36

22L-54-22780

CLAMP

37

01010-81060

BOLT

38

01643-31032

WASHER

Выбрано товаров: 40