Запчасти Komatsu PC30MR-2 ЭЛЕКТРИКА (КАБИНА) ЧАСТИ КОРПУСА И КАБИНА

Схема запчастей Komatsu PC30MR-2 - ЭЛЕКТРИКА (КАБИНА) ЧАСТИ КОРПУСА И КАБИНА
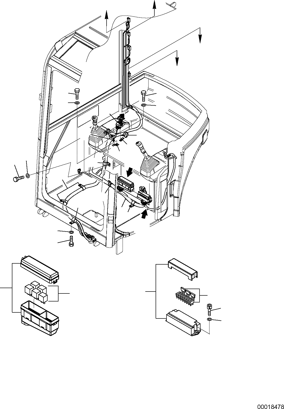
10
14
11
15
18
12
19
13
9
22
21
20
6
6
6
1
6
8
7
2
4
3
5
16
17
a
b
b
a
FIT
1:1
100%

Артикул

Название

Примечание

Количество

1

22M-06-24313

WIRING HARNESS, ASSY.

2

22M-06-24260

RELAY BOX

3

20U-06-42520

RELAY

4

08044-01000

FUSE BOX

4

415-06-12220

HOUSING

4

415-06-12230

COVER

4

08044-00010

TERMINAL

5

08041-01000

FUSE 10A

5

08041-02000

FUSE 20A

5

08041-03000

FUSE 30A

6

04434-52712

CLAMP

7

01010-81020

BOLT

8

01643-11032

WASHER

9

08053-01510

CLAMP

10

01010-81020

BOLT

11

01643-11032

WASHER

12

21Y-06-11260

HORN, ASSY.

13

21Y-06-11270

PLATE

14

01010-80612

BOLT

15

01643-10623

SPRING WASHER

16

01252-70620

SCREW

17

01643-10623

SPRING WASHER

18

20S-06-31130

SWITCH, STARTER

19

08034-20414

CLAMP

20

04434-52712

CLAMP

21

01010-D1025

BOLT

22

01643-11032

WASHER

Выбрано товаров: 27