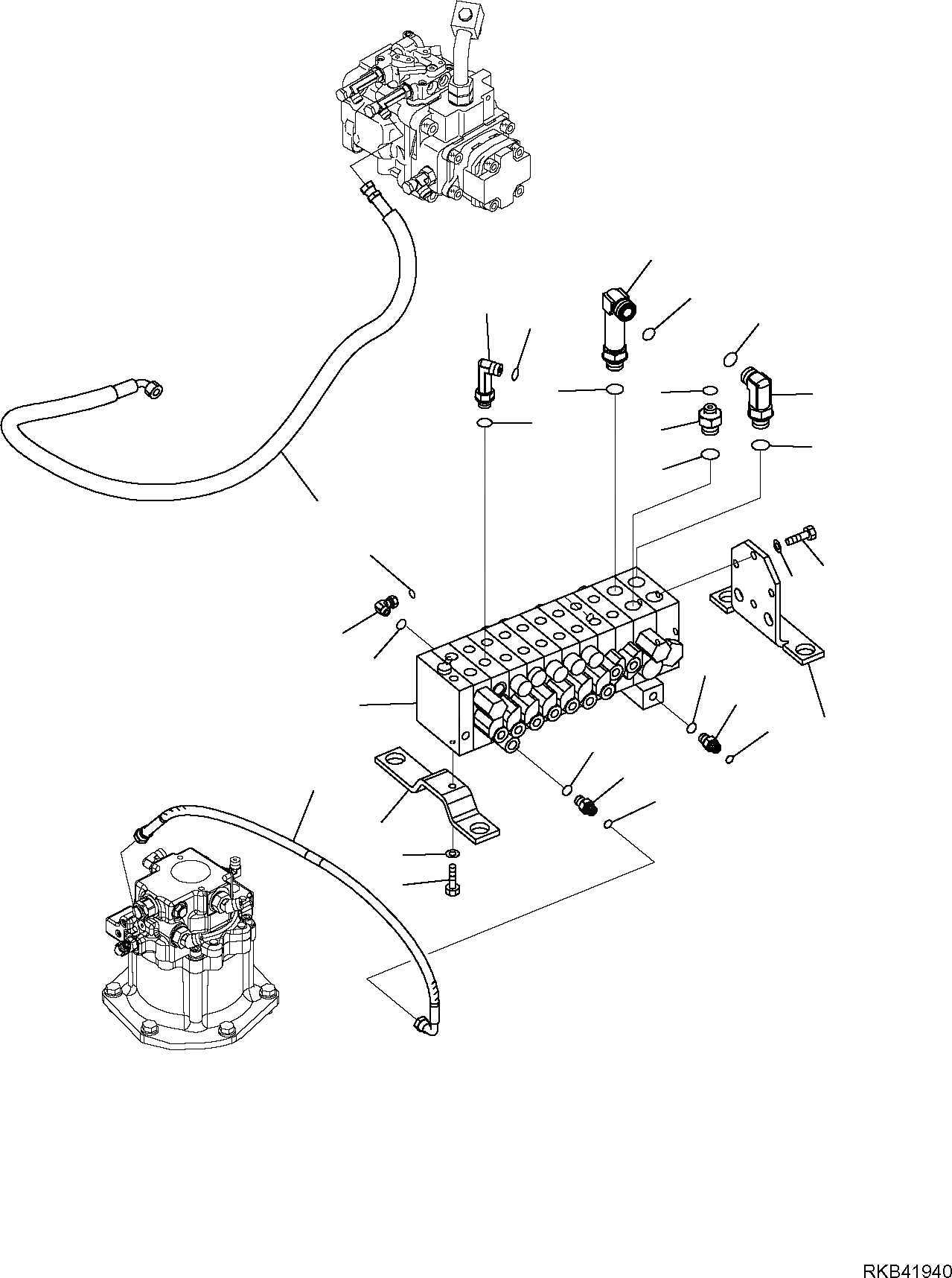
Запчасти Komatsu PC30MR-2 УПРАВЛЯЮЩ. КЛАПАН (/) РАБОЧЕЕ ОБОРУДОВАНИЕ ГИДРАВЛИКА

Схема запчастей Komatsu PC30MR-2 - УПРАВЛЯЮЩ. КЛАПАН (/) РАБОЧЕЕ ОБОРУДОВАНИЕ ГИДРАВЛИКА
8
9
18
12
19
10
11
15
20
14
13
16
17
29
3
4
28
23
30
21
1
22
2
26
24
27
25
5
7
6
FIT
1:1
100%

Артикул

Название

Примечание

Количество

1

723-19-13402

CONTROL VALVE

1

723-19-13403

CONTROL VALVE

2

22L-60-21221

BRACKET

3

01016-51030

BOLT

4

01643-11032

WASHER

5

22L-60-21231

BRACKET

6

01010-80820

BOLT

7

01643-10823

WASHER

8

22L-62-R2531

ELBOW

9

02896-11018

O-RING

10

07002-12434

O-RING

11

22L-09-R1280

ELBOW

12

02896-11015

O-RING

13

07002-12434

O-RING

14

8255-62-R330

UNION

15

02896-11009

O-RING

16

07002-12434

O-RING

17

22L-62-22192

HOSE

18

22L-09-R1220

ELBOW

19

02896-11009

O-RING

20

07002-11823

O-RING

21

22L-09-R1110

UNION

22

02896-11008

O-RING

23

07002-11423

O-RING

24

22L-09-R1110

UNION

25

02896-11008

O-RING

26

07002-11423

O-RING

27

22L-62-22862

HOSE

28

22L-09-R1160

ELBOW

29

02896-11008

O-RING

30

07002-11423

O-RING

Выбрано товаров: 0