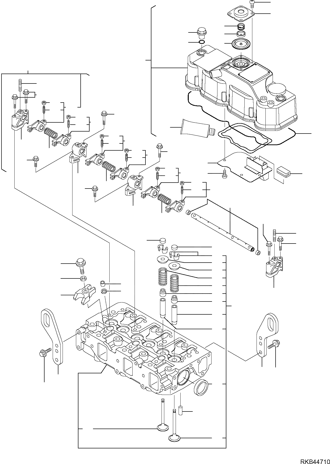
Запчасти Komatsu PC30MR-2 ГОЛОВКА ЦИЛИНДРОВ ДВИГАТЕЛЬ

Схема запчастей Komatsu PC30MR-2 - ГОЛОВКА ЦИЛИНДРОВ ДВИГАТЕЛЬ
52
45
47
53
44
54
46
41
3
8
39
13
10
11
39
13
10
11
40
50
13
10
11
6
13
39
9
10
11
37
42
13
51
10
43
11
7
13
9
37
10
11
4
7
9
39
8
14
39
14
30
27
38
27
35
26
32
26
33
6
28
34
29
15
19
21
2
1
1
23
2
36
25
24
FIT
1:1
100%

Артикул

Название

Примечание

Количество

\0

22L-01-21101

TURBO ENGINE, ASSY.

1

YM129486-07901

HOOK

2

YM26106-080142

BOLT

3

YM129004-11241

ROCKER SHAFT, ASSY.

4

YM129004-11251

ROCKER SHAFT

6

YM119802-11260

SUPPORT

7

YM119802-11270

CONTROL VALVE

8

YM119802-11280

STUD BOLT

9

YM129150-11280

SPRING

10

YM129004-11650

ARM ASSY, ROCKER

11

YM129150-11230

SCREW

13

YM129150-11750

NUT

14

YM129150-11370

PAD

15

YM129004-11700

HEAD ASSY, CYLINDER

19

YM120130-11860

GUIDE, INTAKE VALVE

21

YM129150-11810

GUIDE, EXHAUST VALVE

23

YM27241-400000

PLUG

24

YM129004-11130

VALVE, SUCTION

25

YM129100-11112

VALVE, EXHAUST

26

YM129795-11120

SPRING, VALVE

27

YM129795-11180

RETAINER, SPRING

28

YM121400-11340

SEAL, VALVE EXHAUST

29

YM124460-11340

SEAL, VALVE STEM

30

YM27310-080001

COTTER

32

YM119802-11870

PROTECTION, NOZZLE

33

YM119625-11880

SEAT, NOZZLE

34

YM129004-11900

RETAINER

35

YM120270-54410

WASHER

36

YM22351-060012

SPRING PIN

37

YM26106-080252

BOLT

38

YM26106-080352

BOLT

39

YM26106-080502

BOLT

40

YM977770-01212

GASKET, LIQUID

41

YM129055-11350

COVER, HEAD, ASSY.

42

YM129004-03010

PLATE

43

YM129150-03070

SPLASH-GUARD

44

YM119802-03110

DIAPHRAGM

45

YM119802-03120

COVER, DIAPHRAGM

46

YM119802-03130

DIAPHRAGM

47

YM119802-03140

SPRING, DIAPHRAGM

50

YM129004-11310

GASKET

51

YM22857-500100

SCREW

52

YM22857-500100

SCREW

53

YM124160-11360

PLUG

54

YM24311-000120

O-RING

Выбрано товаров: 45