Запчасти Komatsu PC30MR-2 ГИДРОЛИНИЯ (НАВЕСНОЕ ОБОРУД-Е) (/) РАБОЧЕЕ ОБОРУДОВАНИЕ

Схема запчастей Komatsu PC30MR-2 - ГИДРОЛИНИЯ (НАВЕСНОЕ ОБОРУД-Е) (/) РАБОЧЕЕ ОБОРУДОВАНИЕ
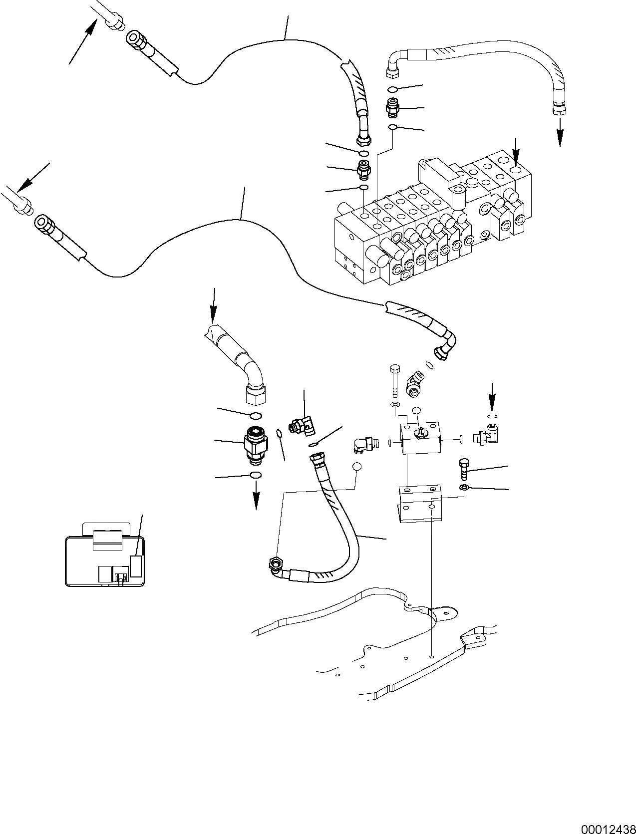
2
15
13
14
15
13
1
14
10
9
12
7
4
11
8
5
6
3
b
b
a
a
A
A
B
FIT
1:1
100%

Артикул

Название

Примечание

Количество

1

22F-973-2810

HOSE

2

22F-973-2820

HOSE

3

22L-973-2160

HOSE

4

01010-81025

BOLT

5

01643-11032

WASHER

6

22L-973-2241

MARK PLATE, OPERATING (2-WAY)

7

22L-973-R130

TEE

8

890001239

O-RING

9

37B-09-15021

O-RING

10

37D-09-73584

ELBOW

11

07002-11823

O-RING

12

02896-11012

O-RING

13

22L-09-R1240

UNION

14

07002-11823

O-RING

15

02896-11012

O-RING

Выбрано товаров: 15