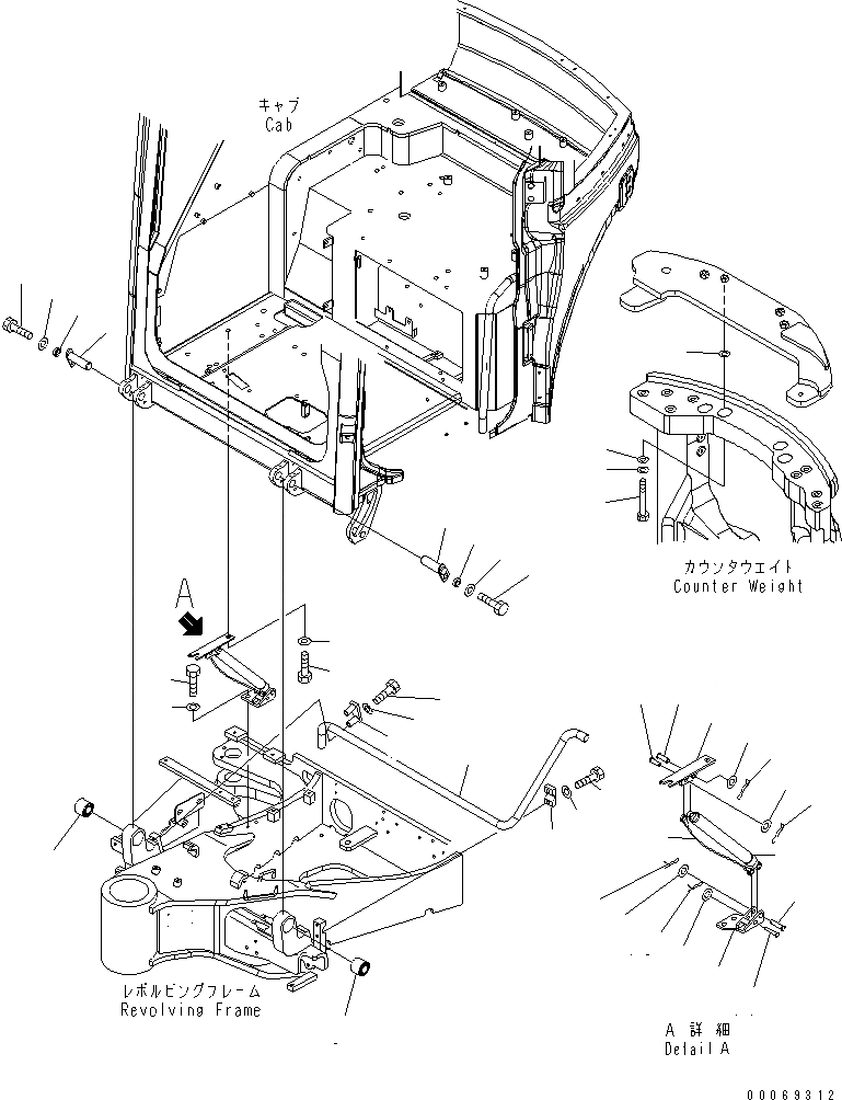
Запчасти Komatsu PC30MR-3 КРЕПЛЕНИЕ ОСН. КОНСТРУКЦИИ (НАКЛОН. СИСТЕМА) (КАБИНА) КАБИНА ОПЕРАТОРА И СИСТЕМА УПРАВЛЕНИЯ

Схема запчастей Komatsu PC30MR-3 - КРЕПЛЕНИЕ ОСН. КОНСТРУКЦИИ (НАКЛОН. СИСТЕМА) (КАБИНА) КАБИНА ОПЕРАТОРА И СИСТЕМА УПРАВЛЕНИЯ
1
2
3
4
5
5
6
6
7
7
8
8
9
9
10
11
12
13
13
14
14
15
16
17
18
18
19
19
20
21
22
23
24
25
26
27
28
29
30
31
32
FIT
1:1
100%

Артикул

Название

Примечание

Количество

1

01011-81415

BOLT

2

01643-31445

WASHER

3

01643-32060

WASHER

4

21R-54-11710

WASHER

5

22L-54-22231

BUSHING

6

22L-54-22191

PIN

7

22J-70-11550

COLLAR

8

01010-81020

BOLT

9

01643-31032

WASHER

10

22F-54-34710

SPRING¤ GAS

11

04205-31032

PIN

12

04205-31042

PIN

13

04052-21038

PIN

14

01643-31032

WASHER

15

22L-54-22280

WIRE

16

04205-30830

PIN

17

22L-54-22250

PIN

18

01643-30823

WASHER

19

04052-20833

PIN

20

22F-54-32840

BRACKET

21

22F-54-32710

BRACKET

22

01010-81025

BOLT

23

01643-31032

WASHER

24

01010-81025

BOLT

25

01643-31032

WASHER

26

22F-54-32821

BAR

27

22L-54-22211

CLAMP

28

01010-81030

BOLT

29

01643-31032

WASHER

30

22F-54-36110

CLAMP

31

01010-81055

BOLT

32

01643-31032

WASHER

Выбрано товаров: 32