Запчасти Komatsu PC30MR-3 ПРОТИВОВЕС ЧАСТИ КОРПУСА

Схема запчастей Komatsu PC30MR-3 - ПРОТИВОВЕС ЧАСТИ КОРПУСА
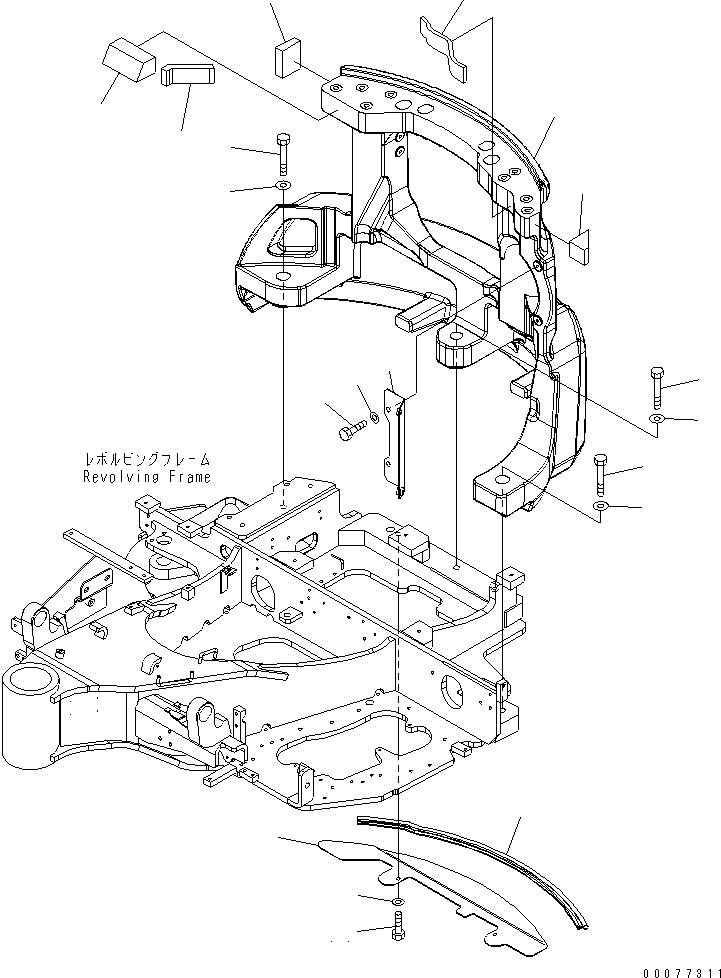
1
2
2
2
3
3
3
4
5
6
7
8
9
10
11
12
13
14
15
FIT
1:1
100%

Артикул

Название

Примечание

Количество

1

22L-46-31411

WEIGHT

2

22L-46-21261

WASHER

3

01011-82020

BOLT

4

22F-54-32941

SHEET

5

22F-54-32950

SHEET

6

22F-54-32960

SHEET

7

22F-54-32970

SHEET

8

22F-54-31651

SHEET

9

22L-54-21331

BRACKET

10

01010-81020

BOLT

11

01643-31032

WASHER

|12

22L-46-31700

COVER ASS'Y

12

PLATE

13

22L-46-31580

SEAL

14

01010-80816

BOLT

15

01643-30823

WASHER

Выбрано товаров: 0