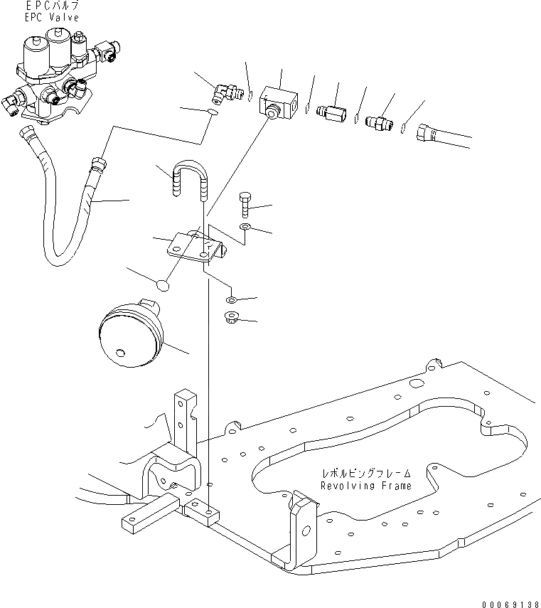
Запчасти Komatsu PC30MR-3 ОСНОВН. КЛАПАН (АККУМУЛЯТОР И ТРУБЫ)(№-) ГИДРАВЛИКА

Схема запчастей Komatsu PC30MR-3 - ОСНОВН. КЛАПАН (АККУМУЛЯТОР И ТРУБЫ)(№-) ГИДРАВЛИКА
1
2
3
4
5
6
7
8
9
10
11
12
13
14
15
16
17
18
FIT
1:1
100%

Артикул

Название

Примечание

Количество

1

20Y-60-11410

ACCUMULATOR

2

22F-62-34141

BRACKET

3

07283-33442

CLIP

4

01643-31032

WASHER

5

01597-01009

NUT

6

22L-62-18920

TEE

7

07002-12034

O-RING

8

02782-10210

ELBOW

9

02896-11008

O-RING

10

07002-11423

O-RING

11

22L-62-29250

VALVE ASS'Y

11

20U-62-41870

NIPPLE

11

22L-62-29210

PLUG

11

22L-62-29220

POPPET

12

02896-11008

O-RING

13

07002-11423

O-RING

14

22F-62-34910

JOINT

15

07002-11423

O-RING

16

02765-002A3

HOSE

17

01010-81020

BOLT

18

01643-31032

WASHER

Выбрано товаров: 21