Запчасти Komatsu PC30MR-3 ОСНОВН. КОНСТРУКЦИЯ, ПРОВОДКА (№-) ОСНОВН. КОНСТРУКЦИЯ, КРОМЕ ЯПОН., С МАСТЕР КЛЮЧ, БЕЗ НАВЕСН. ОБОРУД КЛАПАН

Схема запчастей Komatsu PC30MR-3 - ОСНОВН. КОНСТРУКЦИЯ, ПРОВОДКА (№-) ОСНОВН. КОНСТРУКЦИЯ, КРОМЕ ЯПОН., С МАСТЕР КЛЮЧ, БЕЗ НАВЕСН. ОБОРУД КЛАПАН
6
6
1
6
6
6
8
7
3
5
4
2
18
17
19
12
9
16
15
14
13
11
10
9
20
21
23
22
1
26
25
24
FIT
1:1
100%

Артикул

Название

Примечание

Количество

1

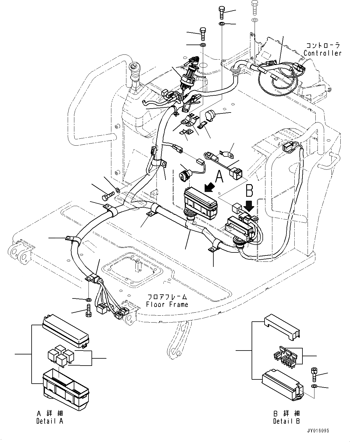
22F-06-33114

Wiring Harness

2

22M-06-24260

Box, Relay

3

20U-06-42520

Relay, 5-Terminal

4

08044-01000

Box Assembly, Fuse

5

08041-01000

Fuse, 10Amp.

5

08041-01500

Fuse, 15Amp.

5

08041-03000

Fuse, 30Amp.

6

04434-52712

Clip

7

01010-81020

Bolt

8

01643-31032

Washer

9

08193-21012

Clip

10

08053-01512

Clip

11

01010-81020

Bolt

12

01643-31032

Washer

13

21Y-06-11260

Buzzer

14

21Y-06-11270

Plate

15

01010-80612

Bolt

16

01643-30623

Washer

17

01252-80620

Bolt

18

01643-70623

Washer

19

20S-06-31130

Switch, Starting

20

08034-40521

Band

21

08193-21012

Clip

22

01010-81020

Bolt

23

01643-31032

Washer

24

22F-06-31431

Socket

25

22F-06-33720

Wiring Harness

26

08193-20010

Clip

Выбрано товаров: 28