Запчасти Komatsu PC30MR-3 ОСНОВН. КОНСТРУКЦИЯ, ПОЛ, КОНСОЛЬ, ЛЕВ. (№7-) ОСНОВН. КОНСТРУКЦИЯ, -ДОПОЛН. АКТУАТОР ТРУБЫ, С АВТОМАТИЧ. DECELERATOR, МАСТЕР КЛЮЧ, ДЛЯ СТРАН ЕС ARRANGEMENT

Схема запчастей Komatsu PC30MR-3 - ОСНОВН. КОНСТРУКЦИЯ, ПОЛ, КОНСОЛЬ, ЛЕВ. (№7-) ОСНОВН. КОНСТРУКЦИЯ, -ДОПОЛН. АКТУАТОР ТРУБЫ, С АВТОМАТИЧ. DECELERATOR, МАСТЕР КЛЮЧ, ДЛЯ СТРАН ЕС ARRANGEMENT
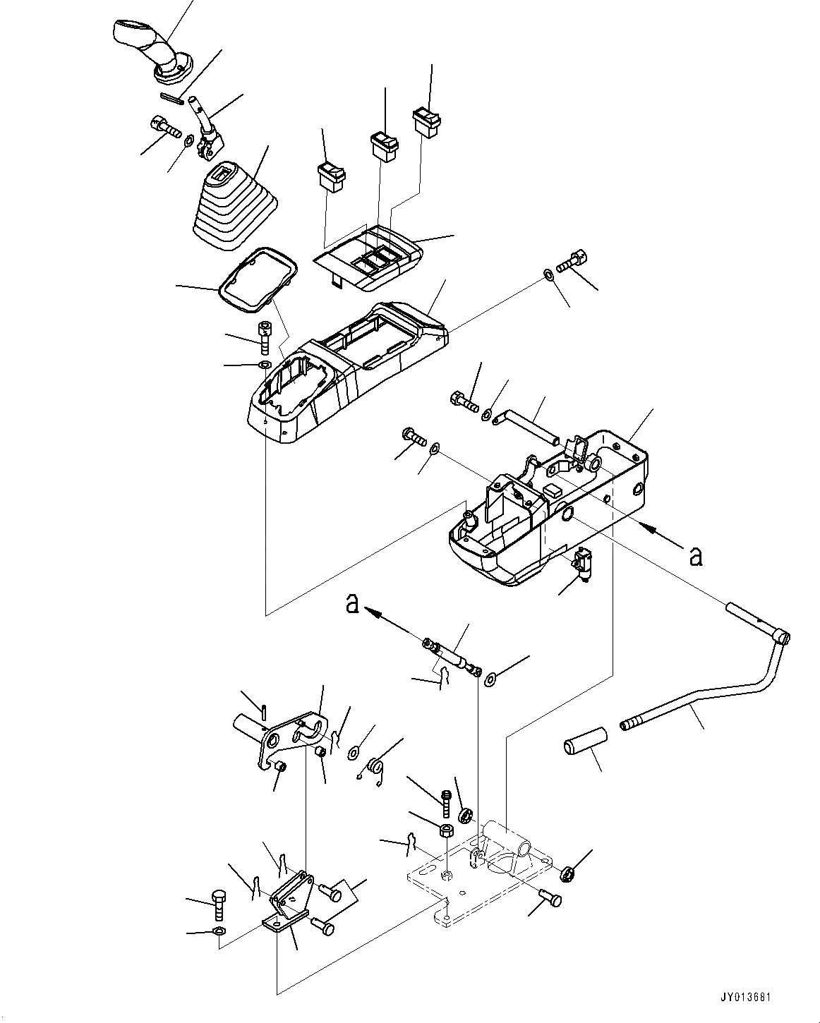
38
36
35
34
33
32
31
30
29
20
19
18
17
14
10
9
8
7
4
3
2
1
6
30
37
15
16
5
16
6
7
28
27
26
25
13
12
11
13
12
39
40
21
41
24
22
23
FIT
1:1
100%

Артикул

Название

Примечание

Количество

1

22M-43-21291

Stopper

2

01010-D0825

Bolt

3

01643-70823

Washer

4

22M-43-21551

Guide

5

04205-30832

Pin

6

04050-12015

Pin, Cotter

7

21U-43-32430

Collar

8

22B-54-15560

Stopper

9

01580-11008

Nut

10

22F-972-3290

Bracket

11

22M-54-22140

Cover, Panel

12

01252-80616

Bolt

13

01643-70623

Washer

14

22M-43-21660

Spring, Gas

15

04205-30822

Pin

16

04052-20833

Pin, Snap

17

01643-70823

Washer

18

22M-43-21151

Pin

19

01010-D0616

Bolt

20

01643-70623

Washer

21

22K-54-33610

Cover

21

22F-43-31900

Lever Assembly

22

22F-43-31850

Lever

23

22F-43-31870

Lever

24

22F-43-31890

Pin

25

20Y-43-22250

Plate

26

22F-43-31880

Boot

27

01252-71025

Bolt, Hexagon Socket Head

28

01643-51032

Washer

29

22M-43-21541

Lever

30

06124-01616

Bearing

31

22M-43-21470

Knob

32

20T-43-71280

Pin

33

22M-43-21560

Spring

34

04052-20833

Pin, Snap

35

01643-70823

Washer

36

22M-43-21170

Switch Assembly

37

01245-00616

Screw

38

01643-70623

Washer

39

22J-06-26121

Switch Assembly

40

22F-972-3251

Switch

41

22F-06-32641

Switch

Выбрано товаров: 42