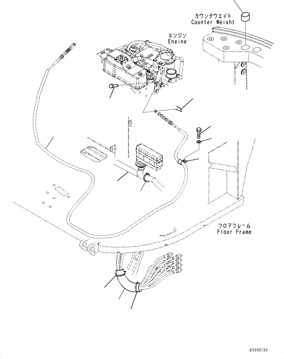
Запчасти Komatsu PC30MR-3 КРЕПЛЕНИЕ ПОЛАING, КАБЕЛЬ КРЕПЛЕНИЕ (№7-) КРЕПЛЕНИЕ ПОЛАING, ДЛЯ СИСТЕМА ROPS

Схема запчастей Komatsu PC30MR-3 - КРЕПЛЕНИЕ ПОЛАING, КАБЕЛЬ КРЕПЛЕНИЕ (№7-) КРЕПЛЕНИЕ ПОЛАING, ДЛЯ СИСТЕМА ROPS
3
4
5
6
7
8
8
9
11
10
2
1
FIT
1:1
100%

Артикул

Название

Примечание

Количество

1

21U-43-26151

Pin

2

04052-20833

Pin, Snap

3

04434-51408

Clip

4

01010-80816

Bolt

5

01643-30823

Washer

6

08034-20823

Band

7

20P-62-72380

Sheet

8

08034-20823

Band

9

22F-54-33650

Sheet

10

22F-43-31442

Cable

|$10

22F-43-31442

Cable

|$11

22F-43-31442

Cable

11

22F-06-33113

Wiring Harness

|$13

22F-06-33113

Wiring Harness

|$14

22F-06-33114

Wiring Harness

Выбрано товаров: 15