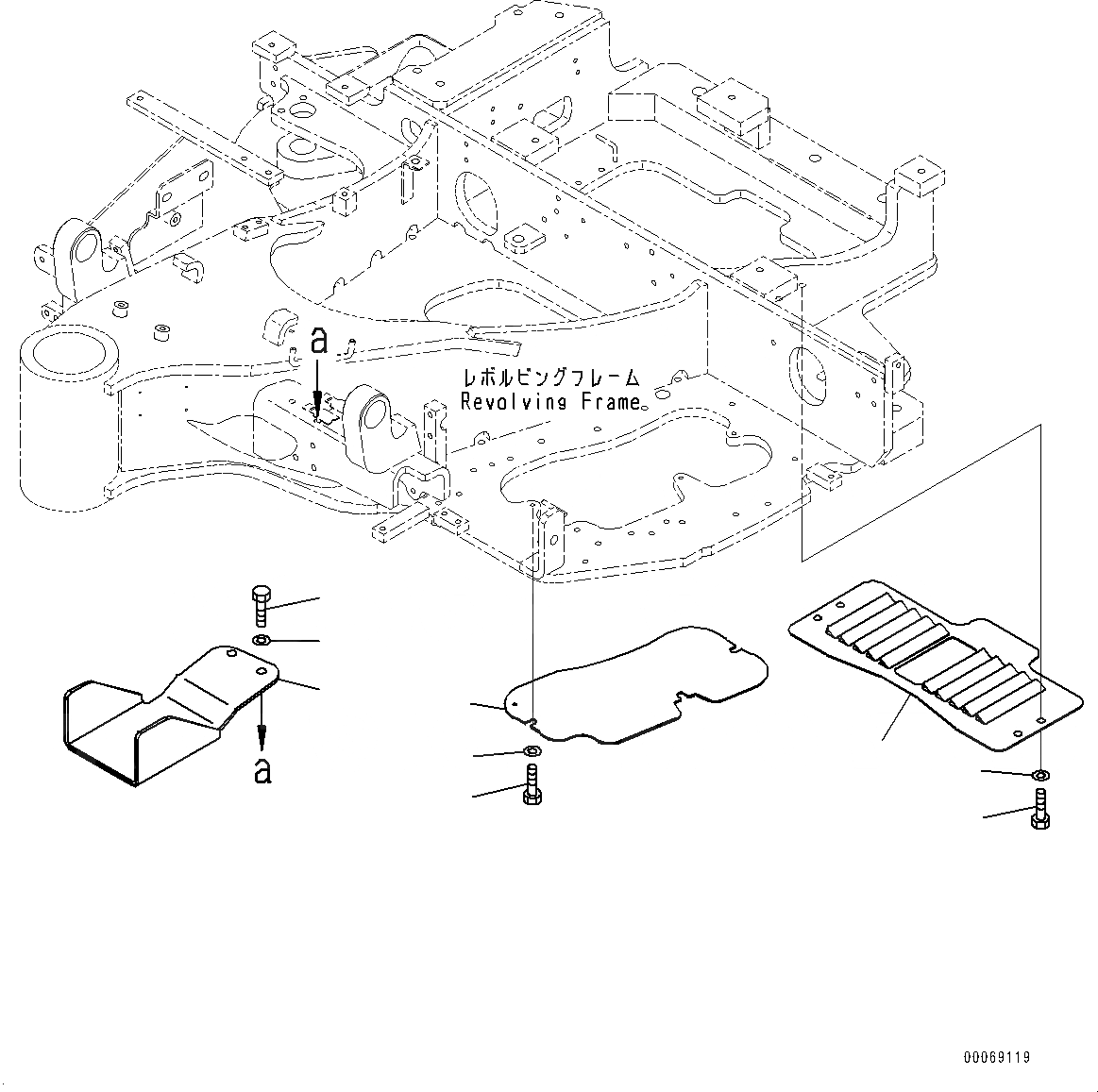
Запчасти Komatsu PC30MR-3 НИЖН. КРЫШКА (№7-) НИЖН. КРЫШКА

Схема запчастей Komatsu PC30MR-3 - НИЖН. КРЫШКА (№7-) НИЖН. КРЫШКА
4
6
5
7
9
8
3
1
2
FIT
1:1
100%

Артикул

Название

Примечание

Количество

1

22L-46-31520

Plate

2

01010-80816

Bolt

3

01643-30823

Washer

4

22F-46-31531

Cover

5

01010-80816

Bolt

6

01643-30823

Washer

7

22F-46-31511

Cover

8

01010-81025

Bolt

9

01643-31032

Washer

Выбрано товаров: 9