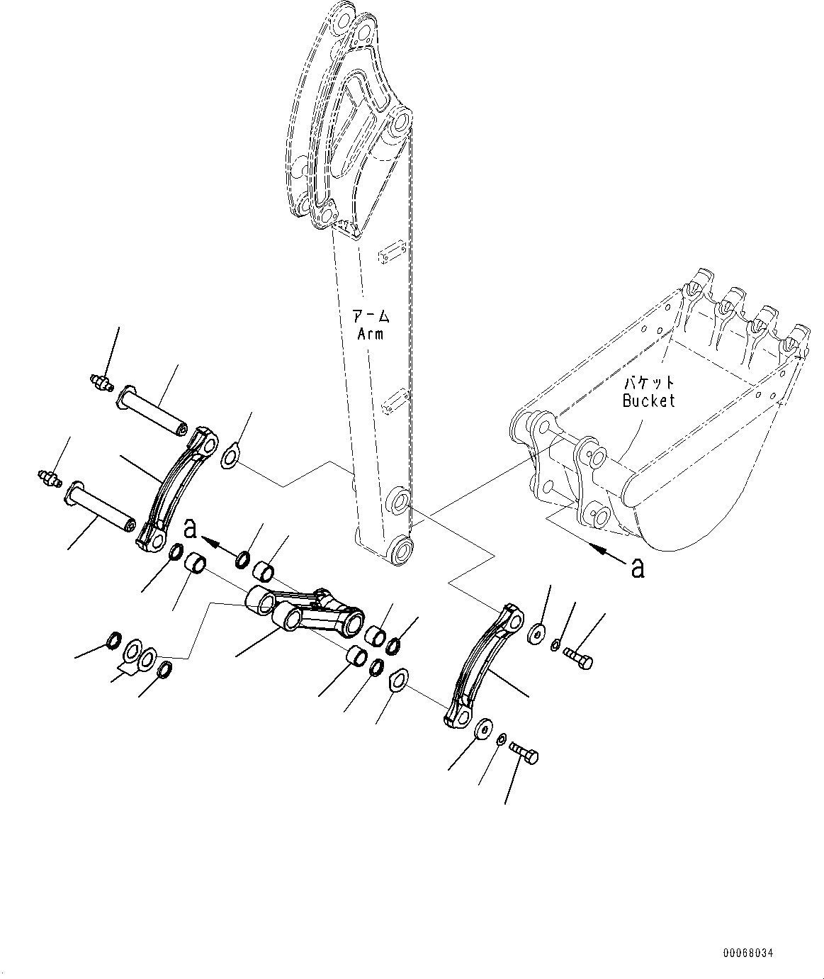
Запчасти Komatsu PC30MR-3 РУКОЯТЬ, СОЕДИНЕНИЕ КОВША (№79-) РУКОЯТЬ, MM, ДЛЯ TURKEY

Схема запчастей Komatsu PC30MR-3 - РУКОЯТЬ, СОЕДИНЕНИЕ КОВША (№79-) РУКОЯТЬ, MM, ДЛЯ TURKEY
9
2
7
4
10
2
1
3
2
3
2
12
3
8
12
6
8
7
3
11
6
9
3
3
5
10
FIT
1:1
100%

Артикул

Название

Примечание

Количество

|$0

22F-70-32700

Link Assembly

1

22L-70-21570

Link

2

22F-70-33831

Bushing

3

07145-00035

Seal, Dust

4

22L-70-21810

Link

5

22L-70-21820

Link

6

21U-70-31741

Pin

7

07020-00000

Fitting, Grease

8

20S-70-71270

Plate

9

01010-81635

Bolt

10

01643-31645

Washer

11

20S-70-71491

Shim, T=2.5mm

12

22L-70-21580

Spacer

Выбрано товаров: 13