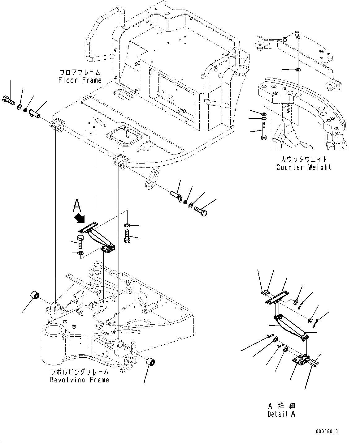
Запчасти Komatsu PC30MR-3 КРЕПЛЕНИЕ ПОЛАING, GAS SPRINGS КОМПОНЕНТЫ (№7-) КРЕПЛЕНИЕ ПОЛАING, ДЛЯ СИСТЕМА ROPS

Схема запчастей Komatsu PC30MR-3 - КРЕПЛЕНИЕ ПОЛАING, GAS SPRINGS КОМПОНЕНТЫ (№7-) КРЕПЛЕНИЕ ПОЛАING, ДЛЯ СИСТЕМА ROPS
5
5
23
22
24
25
11
21
14
13
19
18
13
14
19
18
20
17
12
10
16
15
2
1
3
4
7
6
6
7
9
8
9
8
FIT
1:1
100%

Артикул

Название

Примечание

Количество

1

01011-81410

Bolt

2

01643-31445

Washer, Flat

3

01643-32060

Washer

4

21R-54-11710

Washer

5

22L-54-22231

Bushing

6

22L-54-22191

Pin

7

22J-70-11550

Collar

8

01010-81020

Bolt

9

01643-31032

Washer

10

22L-54-22390

Spring

11

04205-31032

Pin

12

04205-31042

Pin

13

04052-21038

Pin, Snap

14

01643-31032

Washer

15

22L-54-22280

Wire

16

04205-30830

Pin

17

22L-54-22250

Pin

18

01643-30823

Washer

19

04052-20833

Pin, Snap

20

22L-54-22761

Bracket

21

22F-54-32710

Bracket

22

01010-81025

Bolt

23

01643-31032

Washer

24

01010-81025

Bolt

25

01643-31032

Washer

Выбрано товаров: 25