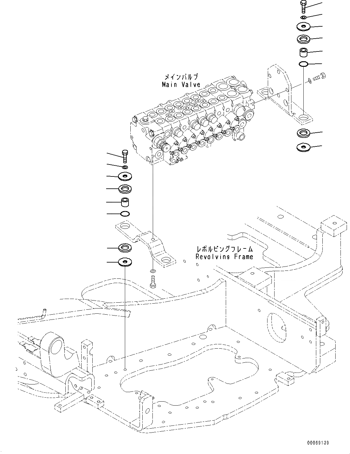
Запчасти Komatsu PC30MR-3 УПРАВЛЯЮЩ. КЛАПАН, КРЕПЛЕНИЕ (№7-) УПРАВЛЯЮЩ. КЛАПАН, -ДОПОЛН. АКТУАТОР ТРУБЫ

Схема запчастей Komatsu PC30MR-3 - УПРАВЛЯЮЩ. КЛАПАН, КРЕПЛЕНИЕ (№7-) УПРАВЛЯЮЩ. КЛАПАН, -ДОПОЛН. АКТУАТОР ТРУБЫ
3
2
6
5
4
3
1
2
2
3
2
6
5
4
3
1
FIT
1:1
100%

Артикул

Название

Примечание

Количество

1

22L-60-21240

Collar

2

415-64-13120

Washer

3

201-910-6730

Cushion

4

07002-12434

O-ring

5

01010-81040

Bolt

6

01643-31032

Washer

Выбрано товаров: 6