Качественные детали и логистика
Оригинальные и аналоговые запчасти с доставкой по России, Казахстану и Беларуси
©2022 PartSell ООО "Система" ИНН 2463123282 ОГРН 1212400004838
Центральный офис: г. Красноярск, Академика Киренского, д.87, пом.4
Телефон: 8 (800) 777-65-74 Email: zakaz@partsell.ru
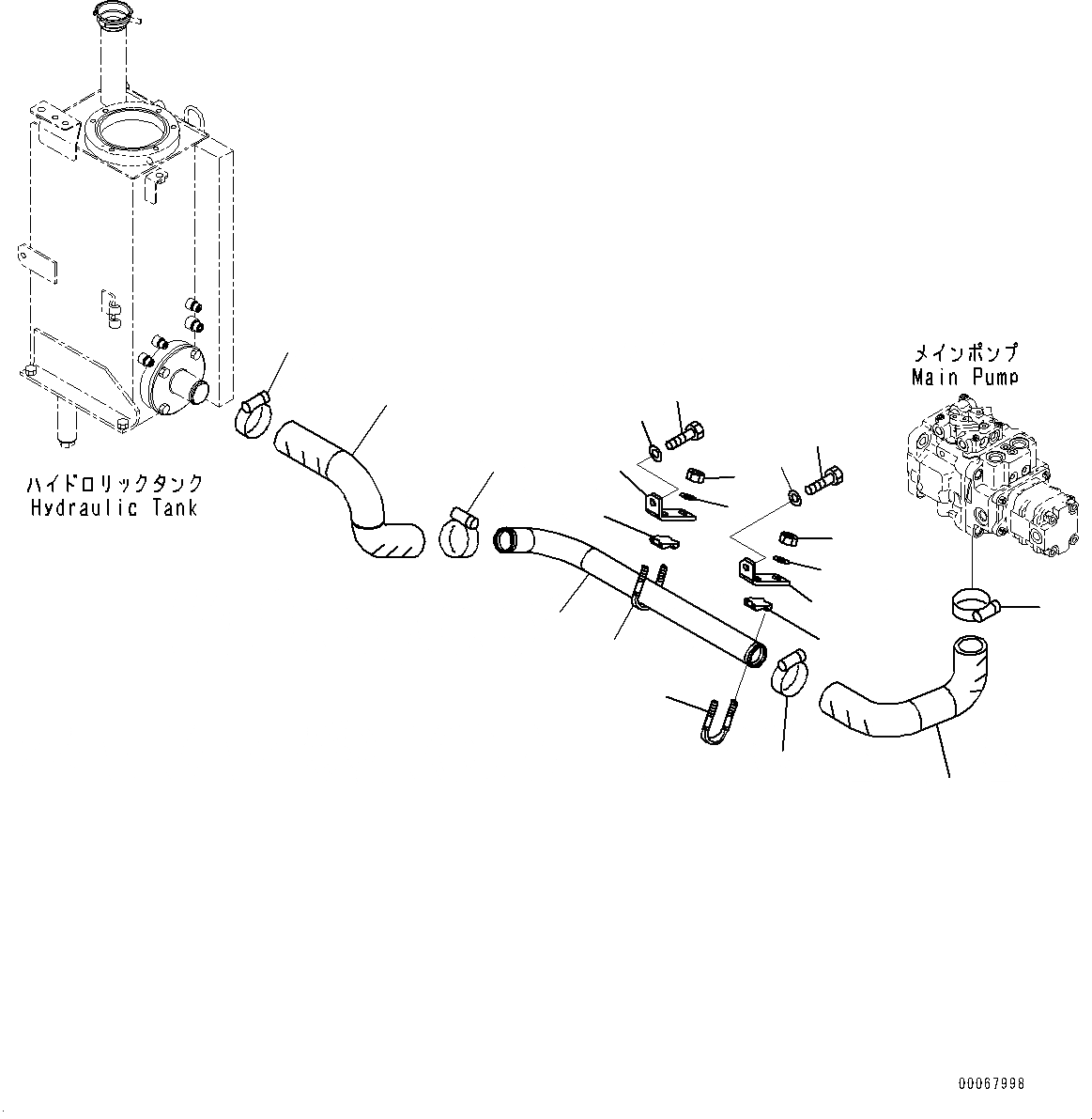
ВСАСЫВ. ТРУБЫ (№7-)
№
Артикул
Название
Примечание
Количество
1
22L-62-22221
Hose
2
07289-00055
Clamp
3
22L-62-22230
Tube
4
22L-62-22242
Plate
5
07283-34354
Clip, Pipe
6
07283-54353
Seat
7
01597-01009
Nut
8
01643-31032
Washer
9
01010-81020
Bolt
10
11
22L-62-22211
12
Выбрано товаров: 0