Запчасти Komatsu PC30MRX-1 ПЕРЕДН. COVER(№-) ЧАСТИ КОРПУСА

Схема запчастей Komatsu PC30MRX-1 - ПЕРЕДН. COVER(№-) ЧАСТИ КОРПУСА
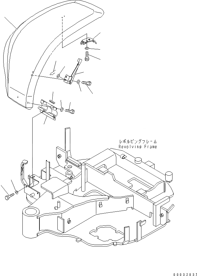
1
2
3
4
5
6
7
7
8
9
10
11
12
13
14
FIT
1:1
100%

Артикул

Название

Примечание

Количество

|$1

22L-54-11602

COVER ASS'Y

1

22L-54-11611

COVER,FRONT

2

21U-54-31643

BRACKET

3

01010-81020

BOLT

4

01643-31032

WASHER

5

21U-54-31633

HINGE

6

01010-81020

BOLT

7

01643-31032

WASHER

8

21U-54-31651

HINGE ASS'Y

9

01010-81020

BOLT

10

21U-54-31770

SEAL

11

01010-81025

BOLT

12

01643-30823

WASHER

13

04052-10833

PIN,SNAP

14

01643-31032

WASHER

Выбрано товаров: 15