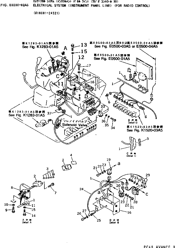
Запчасти Komatsu PC30R-7 ЭЛЕКТРИКА (ЛИНИЯ ПАНЕЛИ ПРИБОРОВ) (ДЛЯ РАДИО УПРАВЛ-Е)(№8-) ЭЛЕКТРИКА

Схема запчастей Komatsu PC30R-7 - ЭЛЕКТРИКА (ЛИНИЯ ПАНЕЛИ ПРИБОРОВ) (ДЛЯ РАДИО УПРАВЛ-Е)(№8-) ЭЛЕКТРИКА
FIT
1:1
100%

Артикул

Название

Примечание

Количество

1

20T-06-77912

WIRING HARNESS

|1

08020-00000

DIODE

2

20T-06-71560

FUSE BOX

3

22W-06-13150

FUSE¤ 5A

|3

22W-06-13160

FUSE¤ 20A

4

20T-06-78190

PLATE¤ NAME,FUSE

5

08040-03000

FUSE¤ 30A

6

20T-06-78240

RESISTOR

7

20T-54-71550

BOLT

8

20T-06-71341

BRACKET

9

01010-50816

BOLT

10

01643-30823

WASHER

11

08035-02510

CLIP

12

424-09-12550

CLIP

13

01010-51020

BOLT

14

01010-51025

BOLT

15

01643-31032

WASHER

16

20T-06-71331

BRACKET

17

01010-51020

BOLT

18

01643-31032

WASHER

19

21X-06-12310

RELAY ASS'Y,ENGINE STOP MOTOR

20

20T-06-71320

BUZZER ASS'Y

21

01220-40616

SCREW

22

01602-20619

WASHER,SPRING

23

01643-30623

WASHER

24

20T-06-71531

HARNESS

25

20T-06-71520

SWITCH,P.P.C. LOCK

26

6134-71-5750

SCREW

27

01641-20508

WASHER

28

20T-06-71650

RELAY,SAFETY

29

08038-00519

CAP

30

01220-40616

SCREW

31

01602-20619

WASHER,SPRING

32

01641-20608

WASHER

33

21X-06-12310

RELAY ASS'Y

34

01220-40616

SCREW

35

01602-20619

WASHER,SPRING

36

01643-30623

WASHER

37

08034-00823

BAND

Выбрано товаров: 39