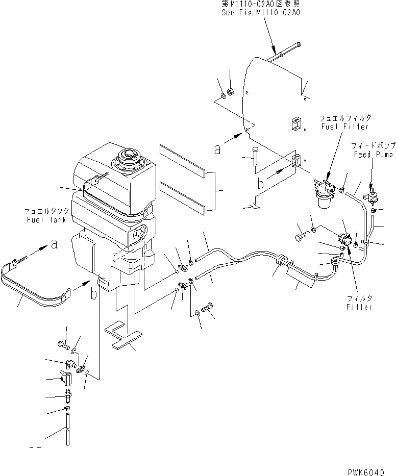
Запчасти Komatsu PC30R-8 ТОПЛИВН. ЛИНИЯ ТОПЛИВН. БАК. AND КОМПОНЕНТЫ

Схема запчастей Komatsu PC30R-8 - ТОПЛИВН. ЛИНИЯ ТОПЛИВН. БАК. AND КОМПОНЕНТЫ
1
1
2
3
3
3
3
3
3
4
5
6
6
7
7
8
8
9
9
10
11
12
13
14
15
16
17
18
19
20
21
22
23
24
24
25
26
27
28
29
30
FIT
1:1
100%

Артикул

Название

Примечание

Количество

1

07288-00712

HOSE

2

20T-04-81210

HOSE

3

07285-00110

CLIP

4

201-46-38220

GROMMET

5

416-06-11310

GROMMET

6

20T-04-81220

HOSE

|6

07288-00717

HOSE

7

08034-00519

BAND

8

20T-04-81310

FLANGE

9

07000-02014

O-RING

|9

07000-02015

O-RING

10

01220-40620

SCREW

11

01602-20619

WASHER,SPRING

12

10S-04-21220

CLAMP,FILTER

|12

6201-72-1850

CLAMP,FILTER

13

01010-80816

BOLT

14

01643-30823

WASHER

15

20T-04-81431

FLANGE

16

07000-02021

O-RING

17

01220-40620

SCREW

18

01602-20619

WASHER,SPRING

19

07235-10200

ELBOW

20

07700-50240

VALVE

21

20T-04-81440

NIPPLE

22

07288-01203

HOSE

23

07285-00180

CLIP

24

20T-04-81400

BAND ASS'Y

|24

20T-04-81420

BAND

|24

20T-04-81410

CUSHION

25

01580-11210

NUT

26

01643-31232

WASHER

27

20T-04-81232

CUSHION

28

20T-04-81240

CUSHION

29

20U-04-21240

PIN

30

04052-11038

PIN,SNAP

Выбрано товаров: 35