Запчасти Komatsu PC30R-8 ОСНОВН. КОНСТРУКЦИЯ (PIROT КЛАПАН) (ДЛЯ PAT И ATTCHMENT) КАБИНА ОПЕРАТОРА И СИСТЕМА УПРАВЛЕНИЯ

Схема запчастей Komatsu PC30R-8 - ОСНОВН. КОНСТРУКЦИЯ (PIROT КЛАПАН) (ДЛЯ PAT И ATTCHMENT) КАБИНА ОПЕРАТОРА И СИСТЕМА УПРАВЛЕНИЯ
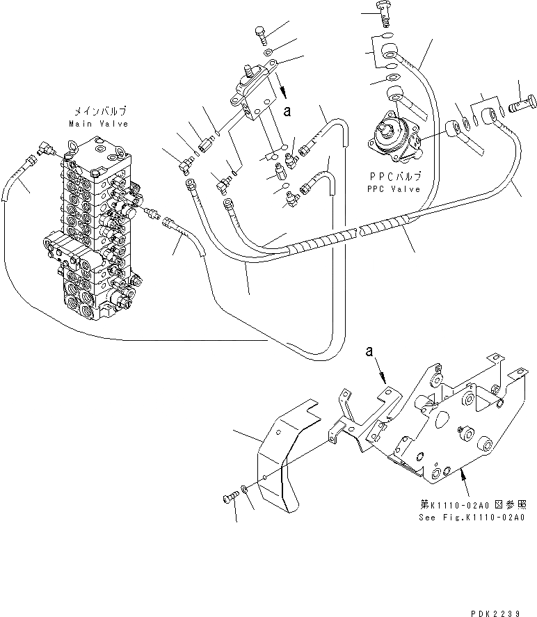
1
2
3
4
4
5
5
6
6
6
6
6
7
8
9
10
10
11
11
11
11
12
12
13
13
14
15
16
16
17
17
18
FIT
1:1
100%

Артикул

Название

Примечание

Количество

1

702-16-01230

PILOT VALVE,(SEE FIG.Y1670-31A0)

2

01010-81030

BOLT

3

01643-31032

WASHER

4

21P-62-11590

ELBOW

5

20T-910-8660

NIPPLE

6

07000-02011

O-RING

7

20T-910-8670

COVER

8

01220-70820

SCREW

9

01643-30823

WASHER

10

21A-62-11230

ELBOW

10

20T-970-8260

ELBOW

11

21Y-62-17130

HOSE

12

20T-970-8820

HOSE

13

20T-970-8820

HOSE

14

20T-910-8640

BOLT

15

20T-910-8650

BOLT

16

07000-02018

O-RING

17

113-15-22560

WASHER

18

203-62-32440

COVER

Выбрано товаров: 19