Запчасти Komatsu PC30UU-3 ПОВОРОТНОЕ СОЕДИНЕНИЕ И КОМПОНЕНТЫ(№9-) ПОВОРОТН. КРУГ И КОМПОНЕНТЫ

Схема запчастей Komatsu PC30UU-3 - ПОВОРОТНОЕ СОЕДИНЕНИЕ И КОМПОНЕНТЫ(№9-) ПОВОРОТН. КРУГ И КОМПОНЕНТЫ
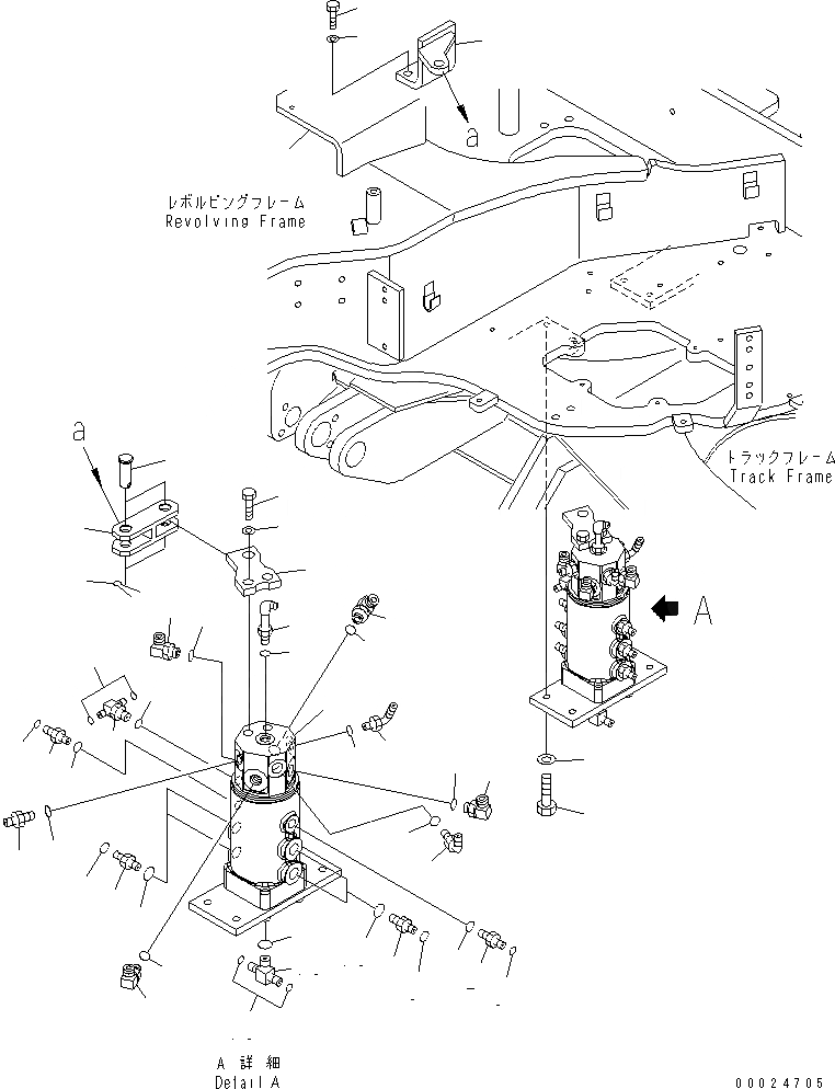
1
2
2
3
3
4
4
5
6
7
8
8
9
9
10
10
11
12
13
13
13
13
14
14
14
14
15
16
17
18
18
19
19
20
21
22
23
24
25
26
27
28
29
30
31
32
FIT
1:1
100%

Артикул

Название

Примечание

Количество

1

703-06-23150

SWIVEL JOINT ASS'Y

2

22L-62-21171

UNION

3

02896-11008

O-RING

4

07002-11423

O-RING

5

22L-62-21150

TEE

6

02896-11008

O-RING

7

07002-11423

O-RING

8

02781-00420

UNION

9

02896-11012

O-RING

10

07002-11823

O-RING

11

21A-62-12360

NIPPLE

12

07002-11423

O-RING

13

20T-62-61670

ELBOW

|13

01583-11811

NUT

14

07002-11823

O-RING

15

22L-62-21150

TEE

16

02896-11008

O-RING

17

07002-11423

O-RING

18

07235-10210

ELBOW

19

07002-11423

O-RING

20

21U-62-31160

ELBOW

21

07002-11423

O-RING

22

01010-81030

BOLT

23

01643-31032

WASHER

24

21U-62-39170

PLATE

25

01010-81435

BOLT

26

01643-31445

WASHER

27

22L-62-21330

YOKE

28

04205-11648

PIN

29

04050-14028

PIN

30

21U-62-39180

BRACKET

31

01010-81230

BOLT

32

01643-31232

WASHER

Выбрано товаров: 33