Качественные детали и логистика
Оригинальные и аналоговые запчасти с доставкой по России, Казахстану и Беларуси
©2022 PartSell ООО "Система" ИНН 2463123282 ОГРН 1212400004838
Центральный офис: г. Красноярск, Академика Киренского, д.87, пом.4
Телефон: 8 (800) 777-65-74 Email: zakaz@partsell.ru
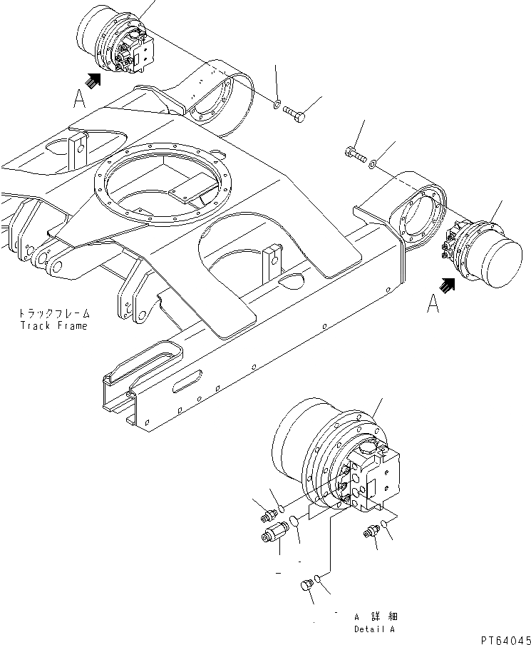
КОНЕЧНАЯ ПЕРЕДАЧА(№-9)
№
Артикул
Название
Примечание
Количество
1
21U-60-31101
TRAVEL MOTOR ASS'Y
2
21U-62-21430
NIPPLE
3
07000-12018
O-RING
4
20N-62-31250
5
209-62-54710
6
07000-12011
7
20N-62-31220
PLUG
8
9
01010-81230
BOLT
10
01643-31232
WASHER
Выбрано товаров: 0