Качественные детали и логистика
Оригинальные и аналоговые запчасти с доставкой по России, Казахстану и Беларуси
©2022 PartSell ООО "Система" ИНН 2463123282 ОГРН 1212400004838
Центральный офис: г. Красноярск, Академика Киренского, д.87, пом.4
Телефон: 8 (800) 777-65-74 Email: zakaz@partsell.ru
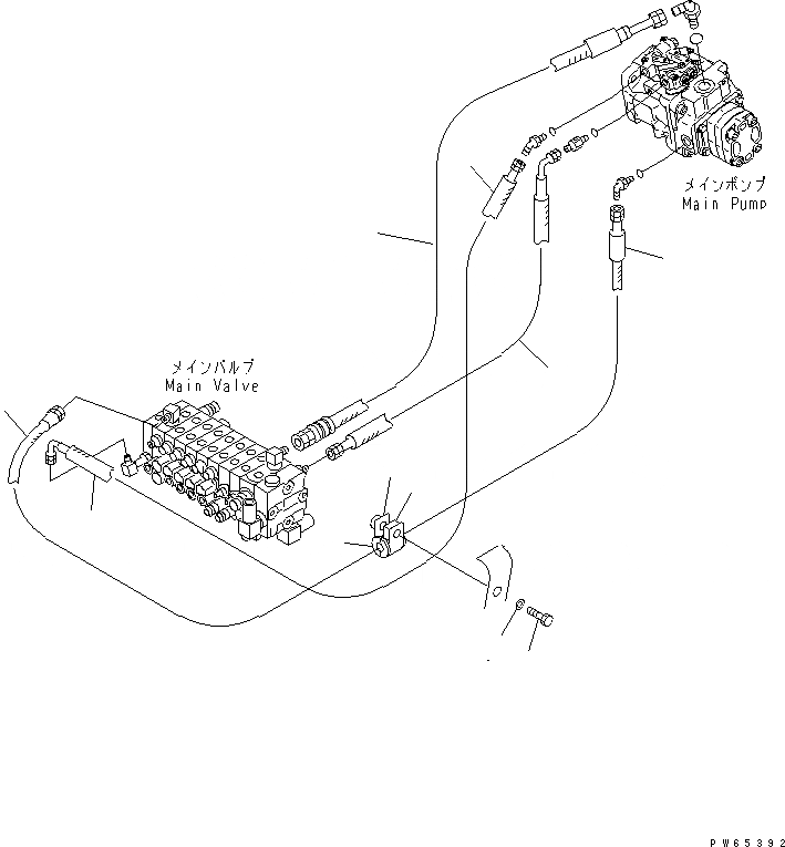
ЛИНИЯ ПОДАЧИ
№
Артикул
Название
Примечание
Количество
1
21U-62-32512
HOSE,(PUMP P1 - VALVE P1)
2
21U-62-32525
HOSE,(PUMP P2 - VALVE P2)
|2
21U-62-32523
3
21U-62-32533
HOSE,(PUMP P1L - VALVE PP)
4
21U-62-32542
HOSE,(PUMP LS - VALVE LS)
5
07095-00317
CUSHION
6
07094-10315
CLAMP
7
21U-62-32771
8
01010-81050
BOLT
9
01643-31232
WASHER
Выбрано товаров: 0