Запчасти Komatsu PC30UU-3 DECEL МОТОР КОМПОНЕНТЫ ДВИГАТЕЛЯ

Схема запчастей Komatsu PC30UU-3 - DECEL МОТОР КОМПОНЕНТЫ ДВИГАТЕЛЯ
1
2
3
4
5
6
7
8
9
10
11
12
13
14
15
16
17
18
19
20
21
22
23
24
25
26
27
28
28
29
30
31
32
33
FIT
1:1
100%

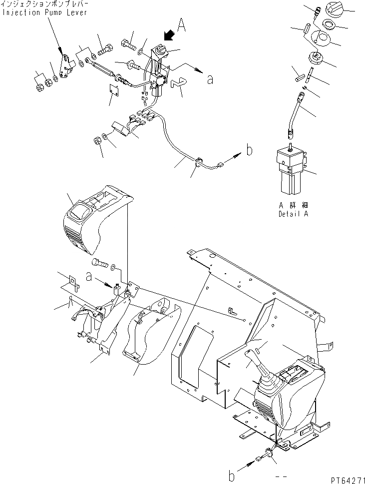
Артикул

Название

Примечание

Количество

1

21U-972-3230

MOTOR ASS'Y

2

01023-70625

SCREW

3

21U-972-3211

BRACKET

4

21U-972-3260

SEAL

5

01010-80816

BOLT

6

01643-30823

WASHER

7

21U-972-3280

SHAFT,FLEXIBLE

8

21U-972-3270

SHAFT

9

21W-43-21283

BOSS

10

21W-43-21260

BOSS

11

21W-43-21241

PIN

12

04025-00308

PIN

13

21W-43-21230

PLATE

14

21W-43-21251

DIAL

15

21W-98-21582

PLATE¤ OPERATING

16

21W-06-21310

LAMP

17

20U-06-21381

CONTROLLER ASS'Y

|17

08056-00281

CONNECTOR

|17

08055-00491

CONNECTOR

|17

08055-10691

CONNECTOR

18

01580-10806

NUT

19

01643-30823

WASHER

20

21U-972-3181

WIRING HARNESS

21

08034-00414

BAND

22

08034-30521

BAND

23

114-06-48542

SWITCH¤ KNOB

24

21U-06-31170

CLIP

25

21W-98-21620

PLATE

26

20S-972-8110

BRACKET

27

01010-80630

BOLT

28

01643-30623

WASHER

29

01580-10605

NUT

30

21U-972-3220

BRACKET

31

22L-972-3240

COVER,PANEL

32

21U-972-3251

COVER,PANEL

33

04050-12015

PIN,COTTER

Выбрано товаров: 0