Запчасти Komatsu PC310LC-5 ОПОРНЫЙ КАТОК ПОЛН. ЗАЩИТА(№-9) ХОДОВАЯ

Схема запчастей Komatsu PC310LC-5 - ОПОРНЫЙ КАТОК ПОЛН. ЗАЩИТА(№-9) ХОДОВАЯ
FIT
1:1
100%

Артикул

Название

Примечание

Количество

G-1

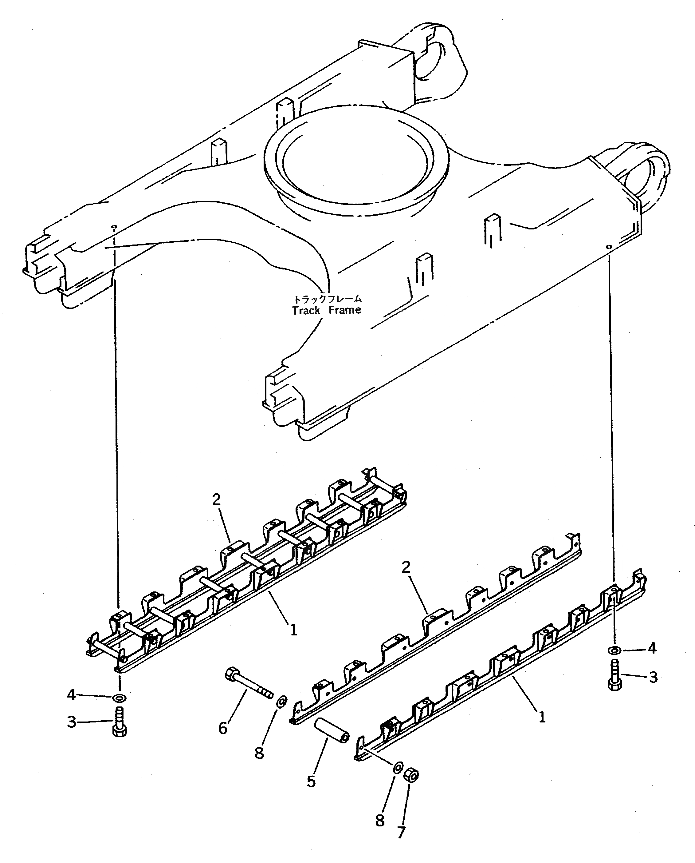
207-30-X1520

GUARD GROUP,ROLLER

1

207-30-57130

GUARD,L.H.

2

207-30-57140

GUARD,R.H.

3

01010-32450

BOLT

|3

01010-52450

BOLT

4

01643-32460

WASHER

5

141-30-32181

COLLAR

6

09205-18320

BOLT

7

01580-11815

NUT

8

01643-31845

WASHER

Выбрано товаров: 10