Запчасти Komatsu PC340LC-6K-J КОНДИЦ. ВОЗДУХА (БЛОК) КАБИНА ОПЕРАТОРА И СИСТЕМА УПРАВЛЕНИЯ

Схема запчастей Komatsu PC340LC-6K-J - КОНДИЦ. ВОЗДУХА (БЛОК) КАБИНА ОПЕРАТОРА И СИСТЕМА УПРАВЛЕНИЯ
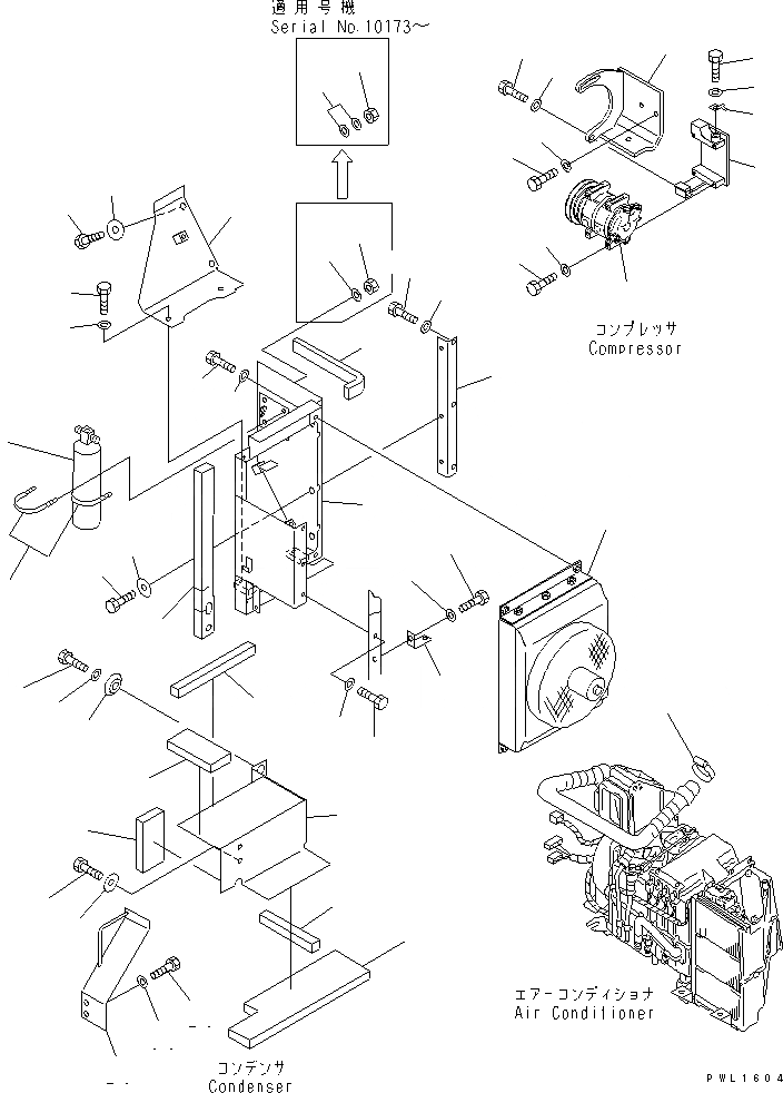
1
2
3
4
5
6
7
7
8
8
9
10
11
12
13
14
15
15
16
17
18
19
20
20
21
22
23
24
25
26
27
28
29
30
31
32
33
34
35
35
36
37
38
39
40
41
42
43
44
45
46
47
48
49
FIT
1:1
100%

Артикул

Название

Примечание

Количество

1

07281-00419

CLAMP

2

207-979-7152

CONDENSER

3

203-979-6611

RECEIVER DRYER

|3

203-979-6610

RECEIVER DRYER

4

01010-81030

BOLT

5

01643-31032

WASHER

6

07283-27060

CLIP

7

01599-01011

NUT

8

01643-31032

WASHER

|8

01643-31032

WASHER

9

207-54-61330

FRAME

10

01010-81230

BOLT

11

01643-31232

WASHER

12

207-54-61471

BRACKET

13

207-54-61740

SHEET

14

207-54-61750

SHEET

15

01010-81230

BOLT

16

01643-31232

WASHER

17

175-54-34170

WASHER

18

207-54-61480

COVER

19

207-54-61660

SHEET

20

207-54-61670

SHEET

21

207-54-61680

SHEET

22

207-54-61690

SHEET

23

01010-81230

BOLT

24

203-54-62670

COLLAR

25

01643-31232

WASHER

26

01010-81230

BOLT

27

175-54-34170

WASHER

28

207-54-61320

BRACKET

29

01010-81225

BOLT

30

01643-31232

WASHER

31

207-54-61190

BRACKET

32

01010-81230

BOLT

33

01643-31232

WASHER

34

207-54-61760

COVER

35

01010-81230

BOLT

36

01643-31232

WASHER

37

175-54-34170

WASHER

38

203-979-6831

COMPRESSOR ASS'Y

39

207-979-6730

BRACKET

40

08053-01512

CLIP

41

01010-81220

BOLT

42

01643-31232

WASHER

43

01010-80895

BOLT

44

01643-30823

WASHER

45

01010-81435

BOLT

46

01643-31445

WASHER

47

207-979-6720

BRACKET

48

01010-81235

BOLT

49

01643-31232

WASHER

Выбрано товаров: 51