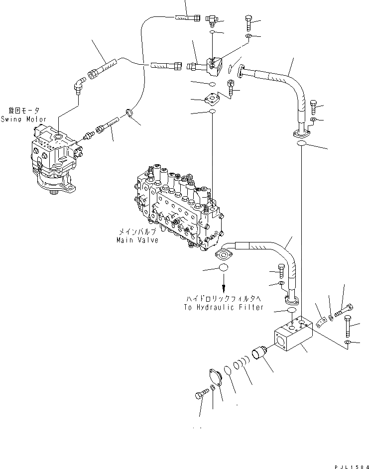
Запчасти Komatsu PC340LC-6K-J ВОЗВРАТНАЯ ЛИНИЯ ГИДРАВЛИКА

Схема запчастей Komatsu PC340LC-6K-J - ВОЗВРАТНАЯ ЛИНИЯ ГИДРАВЛИКА
1
2
3
4
4
4
4
5
6
7
8
9
10
11
12
13
14
15
16
16
17
17
18
19
20
21
22
23
24
25
26
27
28
28
29
FIT
1:1
100%

Артикул

Название

Примечание

Количество

1

21K-62-34621

HOSE

2

207-62-62240

HOSE¤ 850MM

3

207-62-62230

HOSE¤ 900MM

4

07000-13048

O-RING

|5

207-62-61901

VALVE ASS'Y

5

BLOCK

6

207-60-51460

POPPET

7

207-62-61920

SPRING

8

07000-12060

O-RING

9

207-62-63110

FLANGE

10

01643-31232

WASHER

11

01010-81235

BOLT

12

01011-81240

BOLT

13

01643-31232

WASHER

14

01010-81230

BOLT

15

01643-31232

WASHER

16

01010-81240

BOLT

17

01643-31232

WASHER

18

17M-49-15260

BRACKET

19

207-62-62161

TUBE

20

07000-13038

O-RING

21

01010-81275

BOLT

22

01643-31232

WASHER

23

207-62-62170

PLATE

24

07000-13038

O-RING

25

01252-71025

BOLT

26

203-62-58440

TEE

27

07002-11423

O-RING

28

07102-20306

HOSE

29

08034-00536

BAND

Выбрано товаров: 30