Запчасти Komatsu PC340LC-6K-J НАВЕСНОЕ ОБОРУД-Е ( АКТУАТОР) (3. ЛИНИЯ) (СПЕЦ-Я ДЛЯ РАЗРУШ. ЗДАНИЙ)(№79-) ГИДРАВЛИКА

Схема запчастей Komatsu PC340LC-6K-J - НАВЕСНОЕ ОБОРУД-Е ( АКТУАТОР) (3. ЛИНИЯ) (СПЕЦ-Я ДЛЯ РАЗРУШ. ЗДАНИЙ)(№79-) ГИДРАВЛИКА
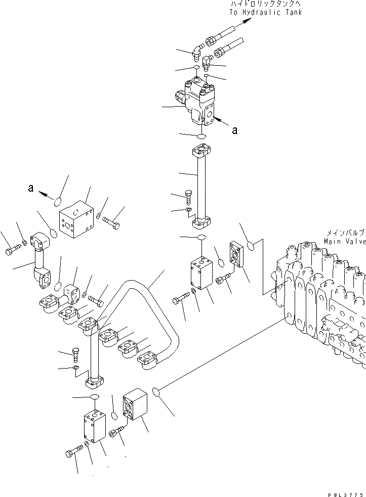
1
2
2
3
4
4
5
5
6
6
7
7
8
9
10
11
12
13
13
13
13
13
14
14
15
15
16
17
18
19
20
21
22
23
24
25
26
26
27
27
FIT
1:1
100%

Артикул

Название

Примечание

Количество

1

20Y-62-25120

PLATE

2

07000-13035

O-RING

3

01252-41025

BOLT

4

07000-13030

O-RING

5

20Y-62-25110

BLOCK

6

01010-81090

BOLT

7

01643-31032

WASHER

8

207-62-66550

PLATE

9

01252-41080

BOLT

10

207-62-66150

TUBE

11

207-62-66170

TUBE

12

207-62-66160

TUBE

13

07000-13035

O-RING

14

07372-21040

BOLT

15

01643-51032

WASHER

|15

01643-31032

WASHER

16

207-62-66190

BLOCK

17

07000-13035

O-RING

18

01010-81095

BOLT

19

702-21-04601

VALVE ASS'Y

20

07235-10522

ELBOW

21

07002-02434

O-RING

22

07235-10311

ELBOW

23

07002-01423

O-RING

24

01643-31032

WASHER

25

207-62-66180

TUBE

26

01010-81060

BOLT

27

01643-31032

WASHER

|27

01643-51032

WASHER

Выбрано товаров: 29