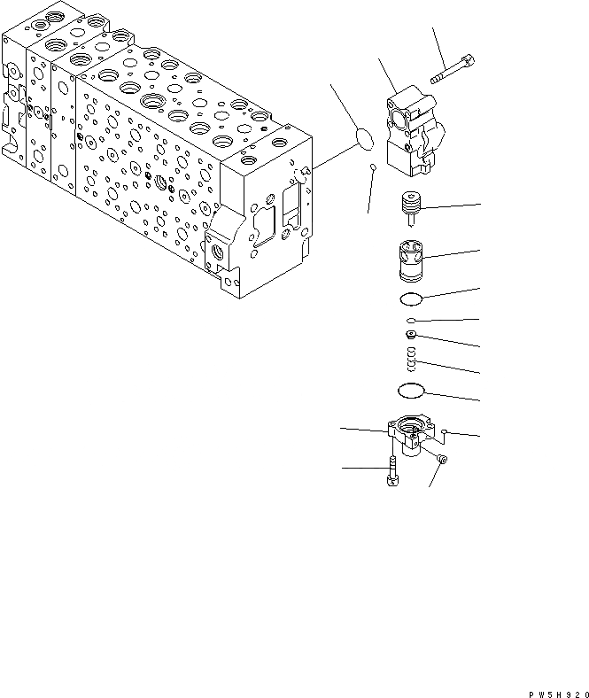
Запчасти Komatsu PC340LC-7K-E0 ОСНОВН. КЛАПАН (-АКТУАТОР) (7/) ОСНОВН. КОМПОНЕНТЫ И РЕМКОМПЛЕКТЫ

Схема запчастей Komatsu PC340LC-7K-E0 - ОСНОВН. КЛАПАН (-АКТУАТОР) (7/) ОСНОВН. КОМПОНЕНТЫ И РЕМКОМПЛЕКТЫ
1
2
3
4
5
6
7
8
9
10
11
12
13
14
15
FIT
1:1
100%

Артикул

Название

Примечание

Количество

|1

723-48-26700

CONTROL VALVE

|1

723-40-87100

VALVE ASS'Y

1

723-40-87110

BODY

2

723-40-87140

SPOOL

3

723-40-87160

SPRING

4

SLEEVE

5

SEAL

6

CASE

7

723-40-87150

RETAINER

8

723-40-87170

O-RING

9

07000-13035

O-RING

10

07000-11007

O-RING

11

SCREW

12

01252-60830

BOLT

13

01252-61075

BOLT

14

07000-13038

O-RING

15

07000-11010

O-RING

Выбрано товаров: 0