Запчасти Komatsu PC340LC-7K 1-СЕКЦИОНН. СТРЕЛА (СТРЕЛА И ВЕРХН. ПАЛЕЦ) (С ДОПОЛН. ГИДРОЛИНИЕЙ) РАБОЧЕЕ ОБОРУДОВАНИЕ

Схема запчастей Komatsu PC340LC-7K - 1-СЕКЦИОНН. СТРЕЛА (СТРЕЛА И ВЕРХН. ПАЛЕЦ) (С ДОПОЛН. ГИДРОЛИНИЕЙ) РАБОЧЕЕ ОБОРУДОВАНИЕ
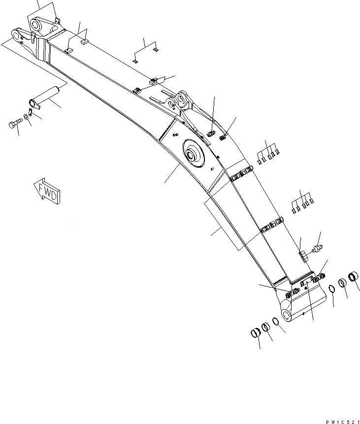
1
2
2
2
3
4
5
6
7
8
9
10
11
12
13
13
14
14
15
16
16
17
18
19
20
FIT
1:1
100%

Артикул

Название

Примечание

Количество

|1

207-70-00510

BOOM ASS'Y

1

BOOM

2

205-62-73430

SEAT

3

207-62-54750

BRACKET (WELDED)

4

207-62-74221

BRACKET (WELDED)

5

207-62-74230

BRACKET (WELDED)

6

207-62-74240

BRACKET (WELDED)

7

207-62-74251

BRACKET (WELDED)

8

207-62-74281

BRACKET (WELDED)

9

207-62-74310

SEAT (WELDED)

10

207-62-74340

BRACKET (WELDED)

11

207-62-74370

BRACKET (WELDED)

12

20Y-70-11651

SEAT (WELDED)

13

207-70-71310

BUSHING

14

207-70-71161

BUSHING

|14

207-70-71160

BUSHING

15

07020-00000

FITTING,GREASE

16

07145-00110

SEAL

17

207-70-72311

PIN

|17

207-70-72310

PIN

18

207-70-31230

PLATE

19

01010-81640

BOLT

20

01643-31645

WASHER

Выбрано товаров: 23