Запчасти Komatsu PC340NLC-6K КОНДИЦ. ВОЗДУХА (ОБОГРЕВ. ЛИНИЯ И ВОЗДУХОВОДЫ)(№K-K999) КАБИНА ОПЕРАТОРА И СИСТЕМА УПРАВЛЕНИЯ

Схема запчастей Komatsu PC340NLC-6K - КОНДИЦ. ВОЗДУХА (ОБОГРЕВ. ЛИНИЯ И ВОЗДУХОВОДЫ)(№K-K999) КАБИНА ОПЕРАТОРА И СИСТЕМА УПРАВЛЕНИЯ
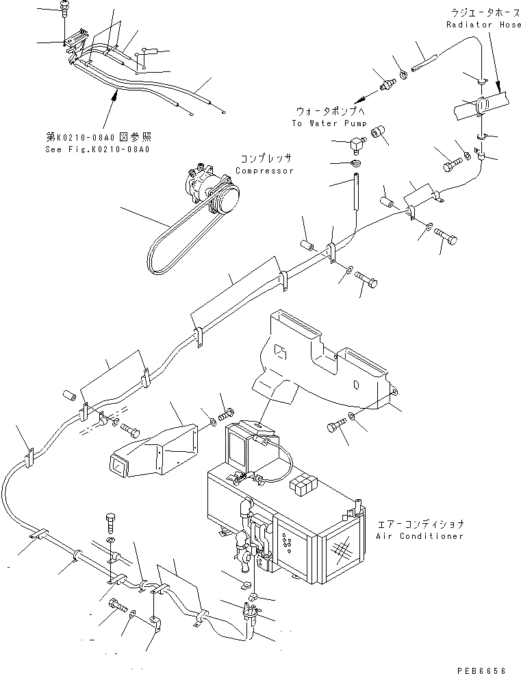
1
1
2
2
3
3
3
3
3
3
4
5
5
6
6
7
7
8
8
9
10
11
12
13
14
14
15
15
15
15
16
17
17
18
18
19
20
21
22
23
24
25
26
27
28
29
30
31
32
33
34
FIT
1:1
100%

Артикул

Название

Примечание

Количество

1

09483-00552

HOSE

2

09483-00553

HOSE

3

421-07-11550

CLIP

4

421-07-11550

CLIP

5

20Y-03-11220

COLLAR

6

01010-51260

BOLT

7

01643-31232

WASHER

8

04434-52512

CLIP

9

01010-51225

BOLT

10

01643-31232

WASHER

11

207-979-6180

BRACKET

12

01010-51225

BOLT

13

01643-31232

WASHER

14

08034-00519

BAND

15

07281-00259

CLAMP

16

207-979-K110

NIPPLE

17

08034-00536

BAND

18

08034-00519

BAND

19

207-979-K520

V-BELT

20

20Y-979-2271

DUCT

21

01010-51025

BOLT

22

01643-31032

WASHER

23

20Y-979-2262

DUCT

24

7861-86-1330

SCREW

25

01642-20405

WASHER

26

176-911-4280

JOINT

27

205-977-7320

ADAPTER

28

20Y-979-K221

PANEL

29

01023-10510

SCREW

30

20Y-979-K370

CABLE

31

20Y-979-K381

CABLE

32

20Y-977-K321

CABLE

|32

20Y-977-K320

CABLE

33

206-979-K320

CLIP

34

20Y-977-K460

CLIP

Выбрано товаров: 35