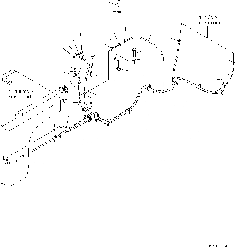
Запчасти Komatsu PC340NLC-7K ТОПЛИВНАЯ ЛИНИЯ (ШЛАНГИ) ТОПЛИВН. БАК. AND КОМПОНЕНТЫ

Схема запчастей Komatsu PC340NLC-7K - ТОПЛИВНАЯ ЛИНИЯ (ШЛАНГИ) ТОПЛИВН. БАК. AND КОМПОНЕНТЫ
1
1
2
3
3
4
4
5
5
6
6
7
7
8
8
9
10
11
11
12
13
14
15
15
16
17
18
19
20
21
22
23
24
FIT
1:1
100%

Артикул

Название

Примечание

Количество

1

07270-50437

TUBE

2

07288-01009

HOSE

3

07288-01031

HOSE

4

07281-00197

CLAMP

5

07281-00197

CLAMP

6

07281-00167

CLAMP

|7

07285-00085

CLIP

7

07285-00080

CLIP

8

07281-00197

CLAMP

9

205-04-62150

JOINT

10

07206-31014

BOLT

11

07005-01412

GASKET

12

203-04-56150

JOINT

13

07206-31014

BOLT

14

07005-01412

GASKET

15

154-04-11540

NIPPLE

16

07700-50240

VALVE

17

07270-01060

TUBE

18

07285-00115

CLIP

19

04434-51612

CLIP

20

01010-81225

BOLT

21

01643-31232

WASHER

22

20Y-04-21540

BRACKET

23

01010-81225

BOLT

24

01643-31232

WASHER

Выбрано товаров: 0