Запчасти Komatsu PC340NLC-7K ГЛУШИТЕЛЬ КОМПОНЕНТЫ ДВИГАТЕЛЯ

Схема запчастей Komatsu PC340NLC-7K - ГЛУШИТЕЛЬ КОМПОНЕНТЫ ДВИГАТЕЛЯ
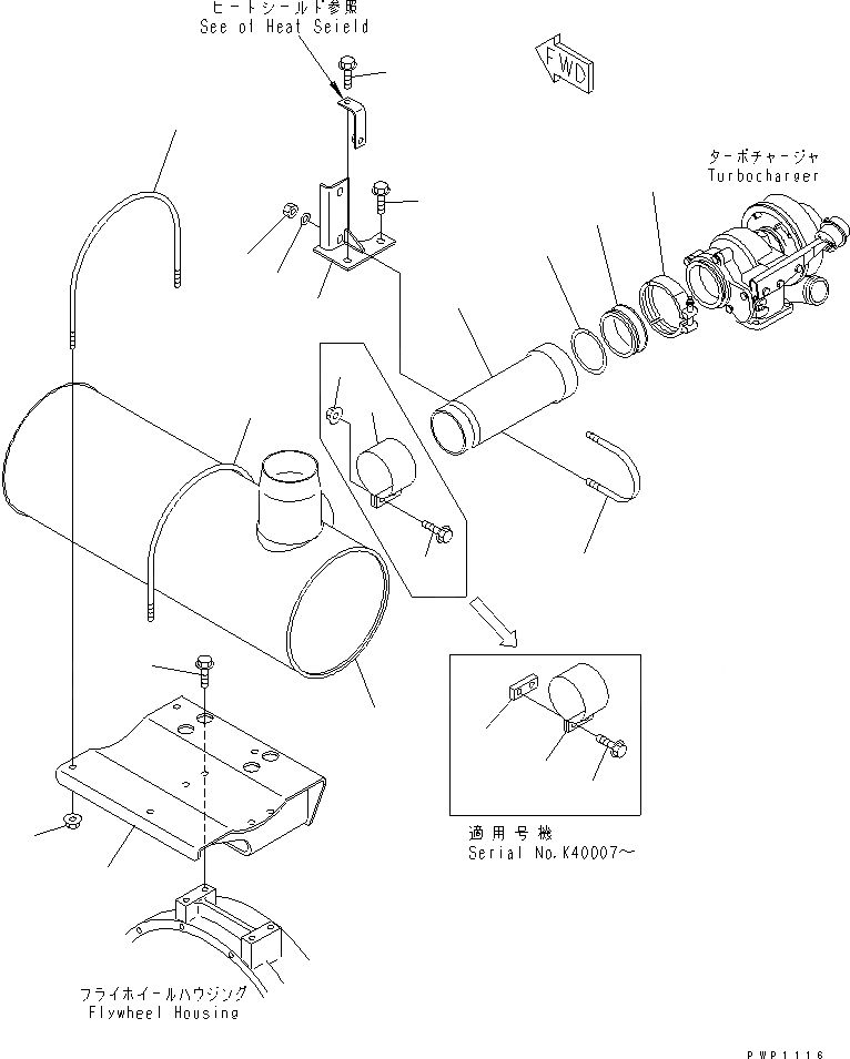
1
2
2
3
3
4
4
5
5
6
7
8
9
10
11
12
13
14
15
16
17
18
FIT
1:1
100%

Артикул

Название

Примечание

Количество

1

6743-11-5720

MUFFLER

2

6150-11-5851

CLAMP

3

01435-01235

BOLT

|3

01435-01225

BOLT

4

6207-11-5850

PLATE

|4

01584-01210

NUT

5

6222-11-5940

U-BOLT

6

01594-01008

NUT

7

6743-11-5730

BRACKET

8

01435-01225

BOLT

9

6742-01-3620

CLAMP

10

207-01-68170

TUBE

11

6151-11-5280

RING

12

6743-11-5710

TUBE

13

6743-11-5750

BRACKET

14

01435-01025

BOLT

15

01435-01020

BOLT

16

07283-31079

CLIP

17

01643-31232

WASHER

18

01597-01211

NUT

Выбрано товаров: 20