Запчасти Komatsu PC350-6 НАВЕСНОЕ ОБОРУД-Е ( АКТУАТОР) (CROSS КЛАПАН И КОРПУС)(№-8) ГИДРАВЛИКА

Схема запчастей Komatsu PC350-6 - НАВЕСНОЕ ОБОРУД-Е ( АКТУАТОР) (CROSS КЛАПАН И КОРПУС)(№-8) ГИДРАВЛИКА
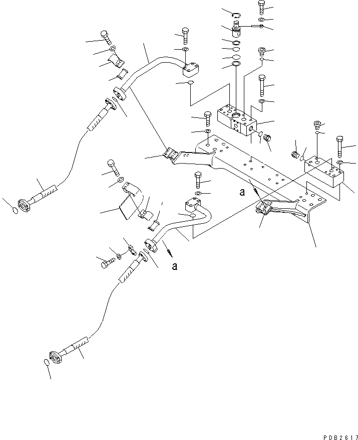
1
2
2
3
4
5
6
7
8
9
10
11
12
13
14
15
16
17
18
19
20
21
22
23
24
25
26
27
28
29
30
31
32
33
34
35
36
37
38
39
40
41
42
43
44
45
45
46
46
46
46
47
48
49
FIT
1:1
100%

Артикул

Название

Примечание

Количество

1

207-970-6130

FRAME

2

205-62-73430

SEAT

3

01010-81640

BOLT

4

01643-31645

WASHER

5

207-970-6190

BLOCK

6

01011-81205

BOLT

7

01643-31232

WASHER

8

07040-12414

PLUG

9

07002-12434

O-RING

10

706-77-71670

PLUG

11

07002-13034

O-RING

12

207-970-6220

TUBE

13

07000-13032

O-RING

14

01010-81265

BOLT

15

01643-31232

WASHER

16

207-970-5190

BRACKET

17

207-62-52430

CLAMP

18

205-62-73430

SEAT

19

01010-81270

BOLT

20

01643-31232

WASHER

|21

207-970-6201

VALVE ASS'Y

21

BLOCK

22

207-970-1630

SHAFT

23

202-970-2210

PIN

24

07000-13042

O-RING

25

07001-03042

RING

26

07000-13048

O-RING

27

07001-03048

RING

28

01010-81230

BOLT

29

01643-31232

WASHER

30

04065-05220

RING

31

01011-81205

BOLT

32

01643-31232

WASHER

33

07040-12414

PLUG

34

07002-12434

O-RING

35

706-77-71670

PLUG

36

07002-13034

O-RING

37

207-970-6230

TUBE

38

07000-13032

O-RING

39

01010-81265

BOLT

40

01643-31232

WASHER

41

207-62-52430

CLAMP

42

205-62-73430

SEAT

43

01010-81230

BOLT

44

01643-31232

WASHER

45

07099-01217

HOSE

46

07000-13038

O-RING

47

07371-51260

FLANGE

48

01010-81245

BOLT

49

01643-31232

WASHER

Выбрано товаров: 0