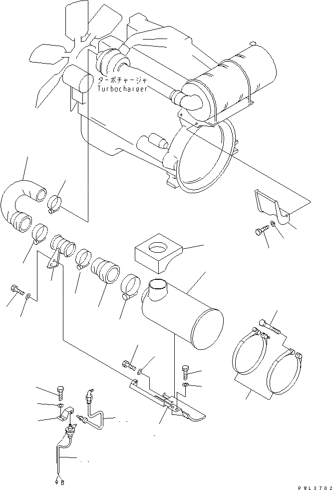
Запчасти Komatsu PC350-6 ВОЗДУХООЧИСТИТЕЛЬ СОЕДИН-Е КОМПОНЕНТЫ ДВИГАТЕЛЯ

Схема запчастей Komatsu PC350-6 - ВОЗДУХООЧИСТИТЕЛЬ СОЕДИН-Е КОМПОНЕНТЫ ДВИГАТЕЛЯ
1
1A
2
3
4
4
5
5
6
7
8
9
10
11
12
12
13
14
15
16
17
18
19
20
21
22
FIT
1:1
100%

Артикул

Название

Примечание

Количество

1

6222-83-7200

AIR CLEANER ASS'Y

1A

6222-81-7190

BAND ASS'Y

2

6643-11-4641

BOLT

3

207-01-62121

BRACKET

4

01010-81230

BOLT

5

01643-31232

WASHER

6

207-54-52220

SHEET

7

207-01-52222

HOSE

8

207-01-62110

HOSE

9

207-01-62131

TUBE

10

01010-81230

BOLT

11

175-54-34170

WASHER

12

07289-00105

CLAMP

|12

205-09-61110

CLAMP

13

07289-00095

CLAMP

|13

20D-09-11130

CLAMP

14

209-62-55290

CLAMP

15

207-01-62173

BRACKET

|15

207-01-62172

BRACKET

|15

207-01-62171

BRACKET

16

01010-81040

BOLT

17

01643-31032

WASHER

18

7861-91-1420

SENSOR

19

08671-50030

HOSE

20

207-01-62180

BRACKET

21

01010-81225

BOLT

22

01643-31232

WASHER

Выбрано товаров: 0