Запчасти Komatsu PC350-6Z ВОЗВРАТН. ЛИНИИ(№8-) ГИДРАВЛИКА

Схема запчастей Komatsu PC350-6Z - ВОЗВРАТН. ЛИНИИ(№8-) ГИДРАВЛИКА
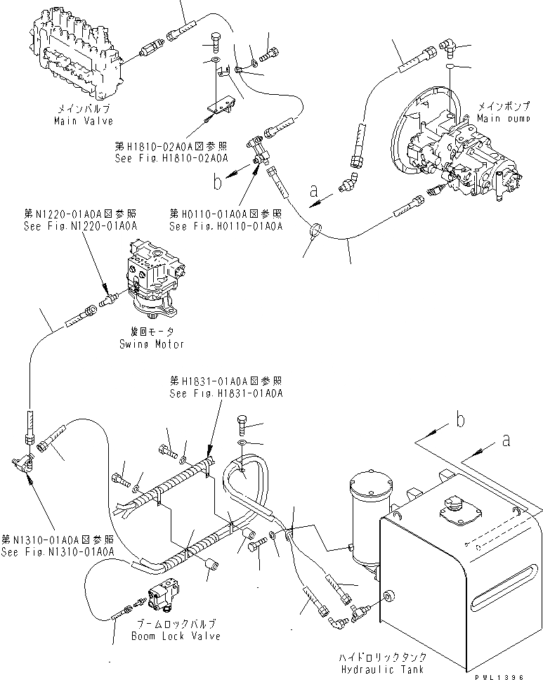
1
2
2
3
3
4
4
4
5
6
6
7
7
8
9
10
10
11
12
13
14
15
16
17
18
19
20
21
22
23
24
FIT
1:1
100%

Артикул

Название

Примечание

Количество

1

207-62-64310

HOSE ASS'Y

|1

07102-20508

HOSE

2

07102-20623

HOSE

3

07102-20523

HOSE

4

198-61-14180

CLIP

5

20Y-62-15891

CLIP

6

01010-81225

BOLT

7

01643-31232

WASHER

8

01010-81260

BOLT

9

01643-31232

WASHER

10

142-03-11160

SPACER

11

01010-81260

BOLT

12

01643-31232

WASHER

13

207-62-61710

HOSE

14

07235-11034

ELBOW

15

07002-13334

O-RING

16

07102-20309

HOSE

17

17M-49-15260

BRACKET

18

01010-81235

BOLT

19

01643-31232

WASHER

20

04434-51812

CLIP

21

01010-81225

BOLT

22

01643-31232

WASHER

23

07102-20308

HOSE

24

08034-00536

BAND

Выбрано товаров: 25