Запчасти Komatsu PC350-7-AA ОСНОВН. КОНСТРУКЦИЯ (ЭЛЕКТР.) (СПЕЦ-Я ДЛЯ РАЗРУШ. ЗДАНИЙ) КАБИНА ОПЕРАТОРА И СИСТЕМА УПРАВЛЕНИЯ

Схема запчастей Komatsu PC350-7-AA - ОСНОВН. КОНСТРУКЦИЯ (ЭЛЕКТР.) (СПЕЦ-Я ДЛЯ РАЗРУШ. ЗДАНИЙ) КАБИНА ОПЕРАТОРА И СИСТЕМА УПРАВЛЕНИЯ
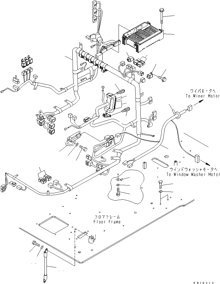
1
2
3
4
5
6
7
8
9
10
11
11
12
13
13
14
15
16
17
18
19
20
21
22
23
FIT
1:1
100%

Артикул

Название

Примечание

Количество

1

7835-26-2003

CONTROLLER

|1

7835-26-2002

CONTROLLER

|1

7835-26-2001

CONTROLLER

|1

7835-26-2000

CONTROLLER¤GP

2

01435-00880

BOLT

3

7861-94-3000

RESISTOR

4

01010-80820

BOLT

5

01643-30823

WASHER

6

207-06-71211

WIRING HARNESS

7

08041-01000

FUSE¤ 10A

8

08041-02000

FUSE¤ 20A

9

01023-60620

SCREW

10

01023-60620

SCREW

11

569-06-61960

RELAY

12

01435-00612

BOLT

13

8233-06-3350

DIODE

14

08028-43030

CABLE

15

01010-81020

BOLT

16

01643-31032

WASHER

17

01010-81020

BOLT

18

01643-31032

WASHER

19

08193-31012

CLIP

20

01010-81020

BOLT

21

01643-31032

WASHER

22

207-06-71840

WIRING HARNESS

23

08034-20536

BAND

Выбрано товаров: 26