Запчасти Komatsu PC350-7-AA ВОЗВРАТНАЯ ЛИНИЯ( АКТУАТОР) ГИДРАВЛИКА

Схема запчастей Komatsu PC350-7-AA - ВОЗВРАТНАЯ ЛИНИЯ( АКТУАТОР) ГИДРАВЛИКА
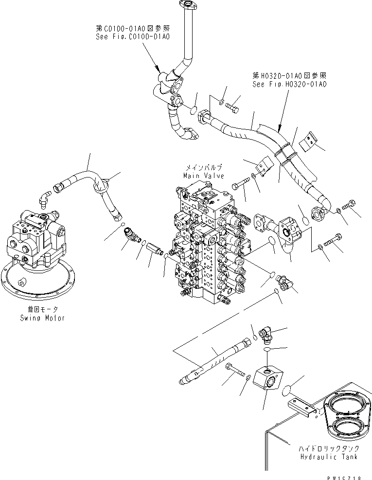
1
2
3
4
5
6
6
7
7
8
8
9
10
10
11
12
13
14
14A
15
16
17
18
19
20
21
22
23
24
24
25
25
26
26
27
FIT
1:1
100%

Артикул

Название

Примечание

Количество

1

207-62-73211

TUBE

2

07000-13045

O-RING

3

01010-81275

BOLT

4

01643-31232

WASHER

5

207-62-73330

HOSE¤ 1000MM

6

07000-13048

O-RING

7

01010-81240

BOLT

8

01643-31232

WASHER

9

07094-31228

CLAMP

10

07095-01245

CUSHION

11

207-62-71490

CLAMP

12

01010-81270

BOLT

13

01643-31232

WASHER

14

207-62-72770

HOSE¤ 950MM

|14

207-62-72510

HOSE¤ 950MM

14A

08034-20536

BAND

15

203-62-61410

JOINT

16

07002-12434

O-RING

17

207-62-72131

ELBOW

18

207-62-64740

O-RING

19

07002-12434

O-RING

20

207-62-71340

BLOCK

21

07000-12060

O-RING

22

01011-81205

BOLT

23

01643-31232

WASHER

24

21W-62-42640

ELBOW

25

207-62-64740

O-RING

26

07002-13334

O-RING

27

207-62-71390

HOSE

Выбрано товаров: 29