Запчасти Komatsu PC350-7-AA ВОЗВРАТН. ЛИНИИ ГИДРАВЛИКА

Схема запчастей Komatsu PC350-7-AA - ВОЗВРАТН. ЛИНИИ ГИДРАВЛИКА
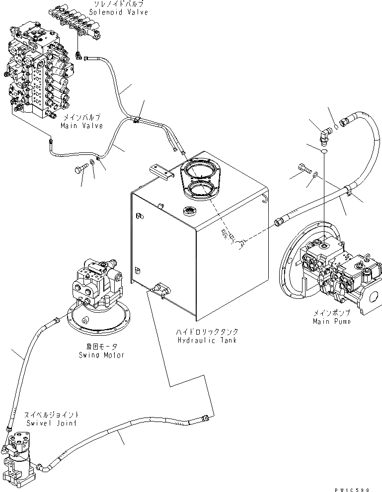
1
2
3
4
5
6
7
8
9
10
11
12
13
14
15
FIT
1:1
100%

Артикул

Название

Примечание

Количество

1

02762-00509

HOSE

2

02763-00612

HOSE

3

02760-00213

HOSE

4

02760-00311

HOSE

5

04435-51812

CLIP

6

04434-51012

CLIP

7

01010-81220

BOLT

8

01643-31232

WASHER

9

207-62-72520

HOSE¤ 1400MM,1400MM

10

113-899-7950

CLIP

11

01010-81220

BOLT

12

01643-31232

WASHER

13

21W-62-42640

ELBOW

14

207-62-64740

O-RING

15

07002-13334

O-RING

Выбрано товаров: 15