Запчасти Komatsu PC350-7 ОСНОВН. НАСОС (/) ОСНОВН. КОМПОНЕНТЫ И РЕМКОМПЛЕКТЫ

Схема запчастей Komatsu PC350-7 - ОСНОВН. НАСОС (/) ОСНОВН. КОМПОНЕНТЫ И РЕМКОМПЛЕКТЫ
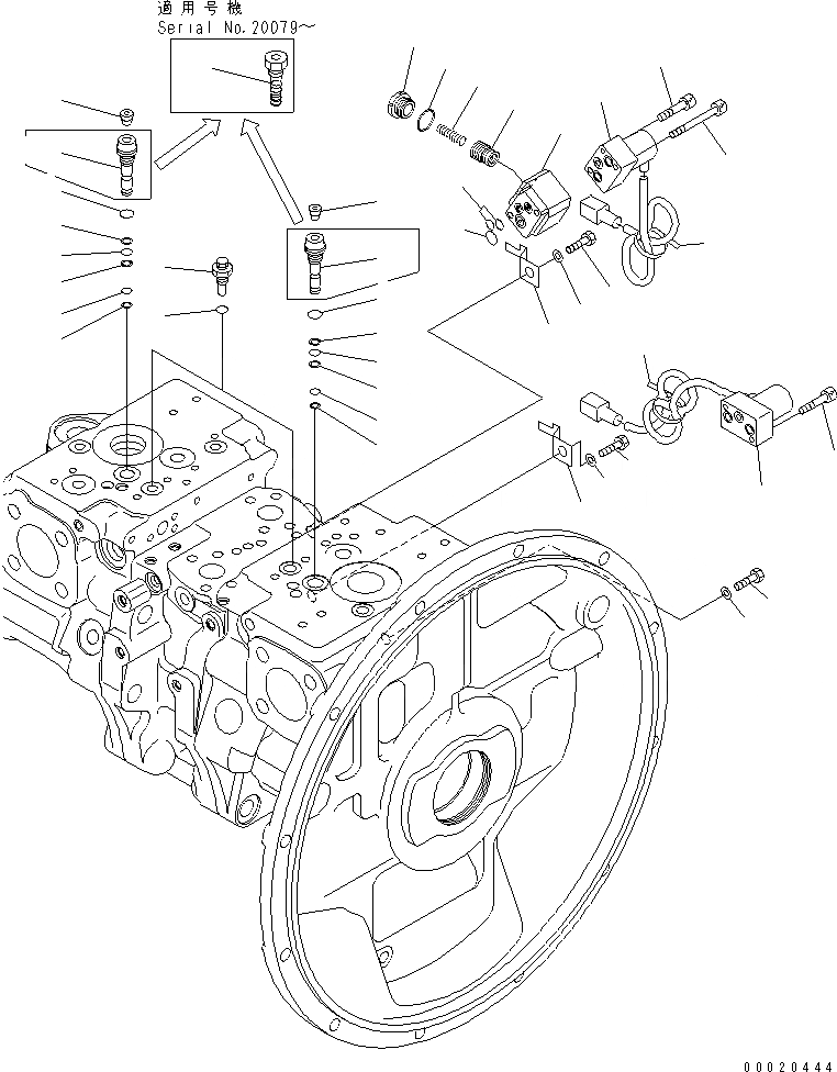
1
2
3
4
5
6
7
8
9
10
11
12
13
14
15
16
17
17
17
18
18
19
19
20
20
20
20
21
21
22
22
23
23
24
24
24
25
25
25
26
26
FIT
1:1
100%

Артикул

Название

Примечание

Количество

|$3

708-2G-00024

PUMP ASS'Y

|$4

708-2G-00023

PUMP ASS'Y

|$5

708-2G-00022

PUMP ASS'Y

1

708-2L-35530

PLUG

2

07002-61023

O-RING

3

702-21-55600

PILOT VALVE

3

702-21-55901

PILOT VALVE

4

01252-60635

BOLT

5

20Y-62-22790

BAND, RED

6

702-21-55701

PILOT VALVE

6

702-21-55700

PILOT VALVE

7

702-16-55260

BOLT

8

20Y-62-22830

BAND, WHITE

|$17

702-21-55400

VALVE ASS'Y

9

702-21-55920

PLUG

10

702-21-55930

PISTON

11

702-21-55940

SPRING

12

702-21-55951

BLOCK

13

07002-12034

O-RING

14

07000-11008

O-RING

15

722-12-18240

O-RING

16

01252-60530

BOLT

|$26

708-2G-03450

PLUG SUB ASS'Y

|$27

708-2G-03420

PLUG SUB ASS'Y

17

708-2G-15670

PLUG

17

708-2G-15610

PLUG

18

PLUG

19

07000-B1008

O-RING

20

07001-01008

RING

21

07000-B1007

O-RING

22

07001-01007

RING,BACK-UP

23

07002-61423

O-RING

24

01643-51232

WASHER

25

01010-81220

BOLT

26

08193-21012

CLIP

Выбрано товаров: 35