Запчасти Komatsu PC350-7 ГИДР. БАК. ГИДРАВЛИКА

Схема запчастей Komatsu PC350-7 - ГИДР. БАК. ГИДРАВЛИКА
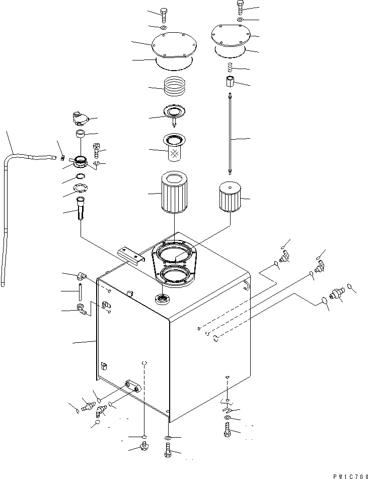
1
2
2
3
4
5
6
7
8
9
10
11
12
13
14
15
16
17
18
19
20
21
22
23
24
25
26
27
28
29
30
31
32
33
34
35
36
37
38
39
40
41
42
43
44
45
46
47
47
48
48
49
FIT
1:1
100%

Артикул

Название

Примечание

Количество

1

207-60-71111

TANK

2

203-60-31100

ELBOW ASS'Y

3

203-60-31160

TUBE

4

07044-12412

PLUG

5

07002-12434

O-RING

6

02783-10628

ELBOW

7

07002-12434

O-RING

8

02896-11018

O-RING

9

02783-10315

ELBOW

10

07002-12034

O-RING

11

02896-11009

O-RING

12

207-62-72110

UNION

13

07002-13334

O-RING

14

207-62-64740

O-RING

15

02782-10315

ELBOW

16

07002-12034

O-RING

17

02896-11009

O-RING

18

11Y-62-12160

ELBOW

18

02782-10210

ELBOW

19

07002-11423

O-RING

20

02896-11008

O-RING

21

207-60-71182

ELEMENT

21

207-60-71181

ELEMENT

21

207-60-71182

ELEMENT

21

207-60-71181

ELEMENT

21

207-60-71180

ELEMENT

22

20Y-60-31140

STRAINER

23

20Y-60-31131

VALVE ASS'Y

24

20Y-60-21240

SPRING

25

22U-60-21231

COVER

26

07000-15195

O-RING

27

01010-81230

BOLT

28

01643-31232

WASHER

|$46

20Y-60-31171

STRAINER ASS'Y

29

207-60-61150

ROD ASS'Y

30

20Y-60-21320

HOLDER

31

12R-60-11230

SPRING

32

22B-60-11160

STRAINER

33

207-60-71131

COVER

34

07000-15160

O-RING

35

01010-81230

BOLT

35

01010-81225

BOLT

36

01643-31232

WASHER

37

17A-60-11310

CAP ASS'Y

38

20Y-60-21470

ELEMENT

39

208-60-71181

FILLER NECK

39

208-60-71180

FILLER NECK

39

20Y-60-21460

NECK

40

20Y-60-21340

GASKET

41

01252-70516

BOLT

42

01601-20513

WASHER

43

07285-00200

CLIP

43

07285-00155

CLIP

44

07261-21412

HOSE

44

07270-61412

TUBE

45

07056-10045

STRAINER

46

04065-04718

RING

47

01010-81635

BOLT

48

01643-31645

WASHER

49

195-03-11570

SHIM, 1.0MM

Выбрано товаров: 60