Запчасти Komatsu PC350-7E0 ТОПЛИВН. БАК. (ДЛЯ ТОПЛИВН. REFILL НАСОС)(№98-) ТОПЛИВН. БАК. AND КОМПОНЕНТЫ

Схема запчастей Komatsu PC350-7E0 - ТОПЛИВН. БАК. (ДЛЯ ТОПЛИВН. REFILL НАСОС)(№98-) ТОПЛИВН. БАК. AND КОМПОНЕНТЫ
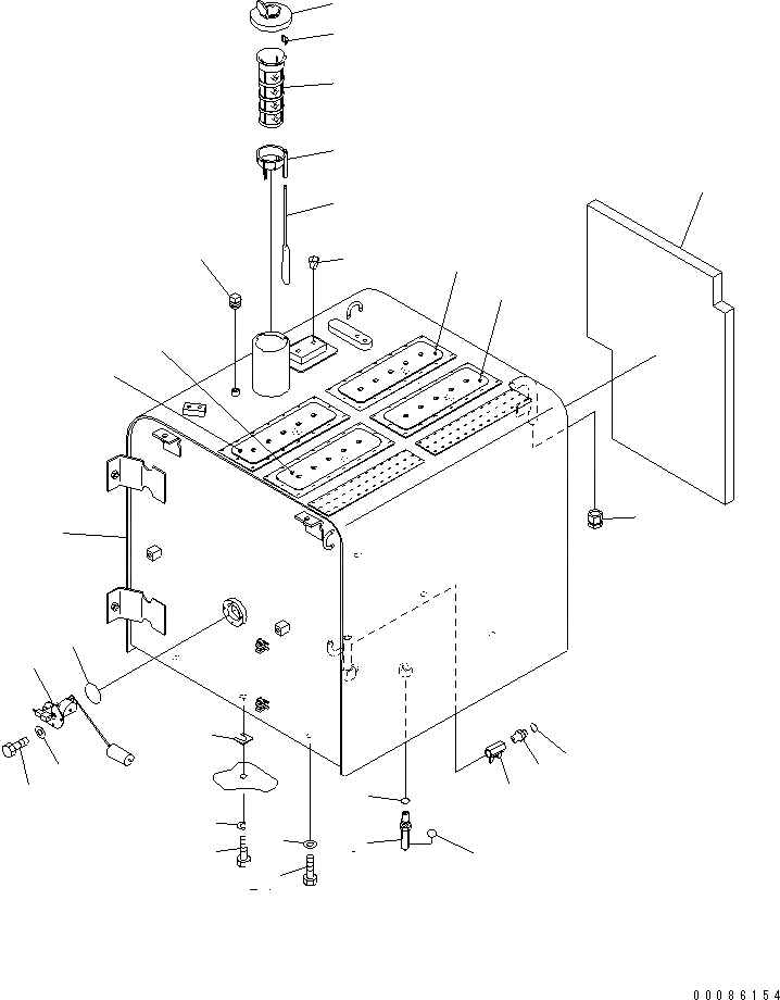
1
2
3
4
5
6
7
8
9
10
11
12
13
14
15
16
17
18
19
20
20
20
20
21
21
22
22
23
24
FIT
1:1
100%

Артикул

Название

Примечание

Количество

1

207-04-75171

TANK

2

07700-50455

VALVE

3

8255-62-4591

CONNECTOR

4

02896-11012

O-RING

5

207-04-75390

ELBOW

6

07002-12034

O-RING

7

02896-11009

O-RING

8

207-04-75250

SHEET

9

20Y-04-11161

CAP

|$14

20Y-04-11240

PACKING

10

7861-92-5810

SENSOR

11

07000-13050

O-RING

12

01010-80612

BOLT

13

01643-30623

WASHER

|$21

22U-04-21241

STRAINER ASS'Y

|$22

22U-04-21200

FLOAT ASS'Y

14

22U-04-21210

GUIDE

15

20Y-04-21580

CAP

16

22U-04-21220

FLOAT

17

07056-18425

STRAINER

18

203-04-K1140

END

19

07042-30211

PLUG

20

20Y-00-42110

PLATE

21

01010-81635

BOLT

22

01643-31645

WASHER

23

195-03-11570

SHIM, 1.0MM

24

07049-01215

PLUG

Выбрано товаров: 27