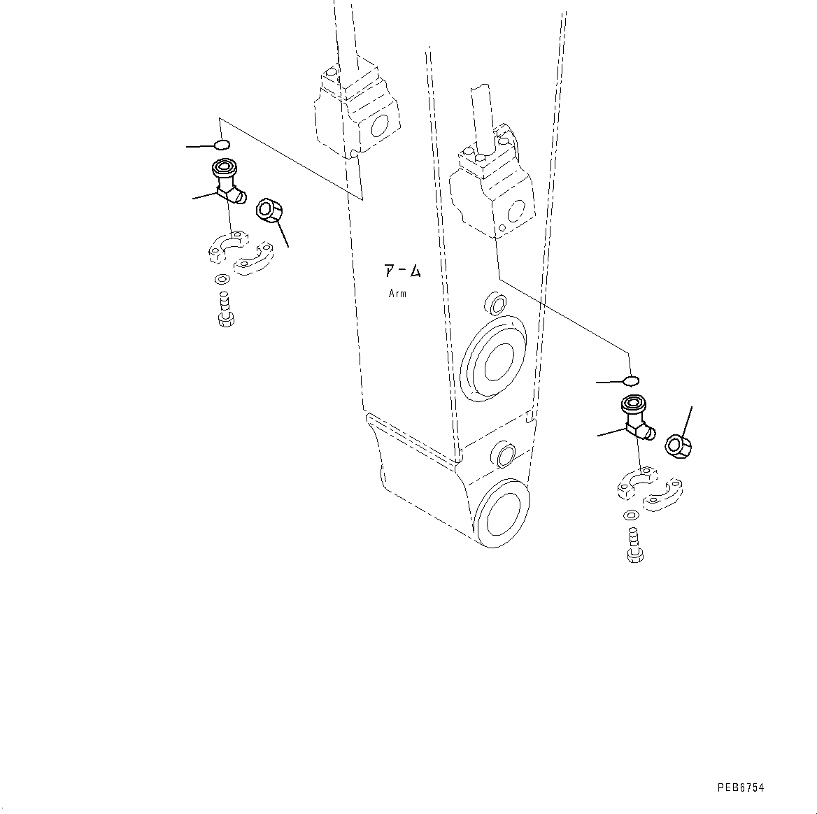
Запчасти Komatsu PC350-8 ПЕРЕХОДНИК ДЛЯ МОЛОТА (№-) ПЕРЕХОДНИК ДЛЯ МОЛОТА, ДЛЯ OKADA

Схема запчастей Komatsu PC350-8 - ПЕРЕХОДНИК ДЛЯ МОЛОТА (№-) ПЕРЕХОДНИК ДЛЯ МОЛОТА, ДЛЯ OKADA
1
3
2
1
3
2
FIT
1:1
100%

Артикул

Название

Примечание

Количество

1

207-970-5510

Elbow

2

07000-13038

O-ring

3

205-970-7680

Cap

Выбрано товаров: 3