Запчасти Komatsu PC350-8 СИСТЕМА ОХЛАЖДЕНИЯ, СТОЙКА И SOUND ЩИТКИ (№-) СИСТЕМА ОХЛАЖДЕНИЯ, С АВТОМАТИЧ. КОНДИЦ. ВОЗДУХА, БОЛ. WIND QUANTITY

Схема запчастей Komatsu PC350-8 - СИСТЕМА ОХЛАЖДЕНИЯ, СТОЙКА И SOUND ЩИТКИ (№-) СИСТЕМА ОХЛАЖДЕНИЯ, С АВТОМАТИЧ. КОНДИЦ. ВОЗДУХА, БОЛ. WIND QUANTITY
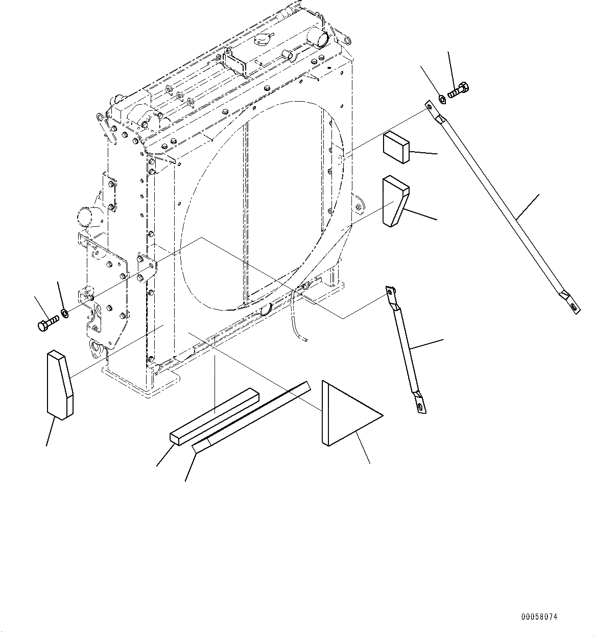
1
2
3
4
5
6
7
9
8
12
11
10
FIT
1:1
100%

Артикул

Название

Примечание

Количество

1

207-03-76130

Sheet

2

207-03-76140

Sheet

3

207-03-76150

Sheet

4

207-03-76160

Sheet

5

207-03-76181

Sheet

6

207-03-76190

Sheet

7

207-03-71211

Stay

8

01010-81640

Bolt

9

01643-31645

Washer

10

22U-03-22280

Stay

11

01010-81635

Bolt

12

01643-31645

Washer

Выбрано товаров: 12