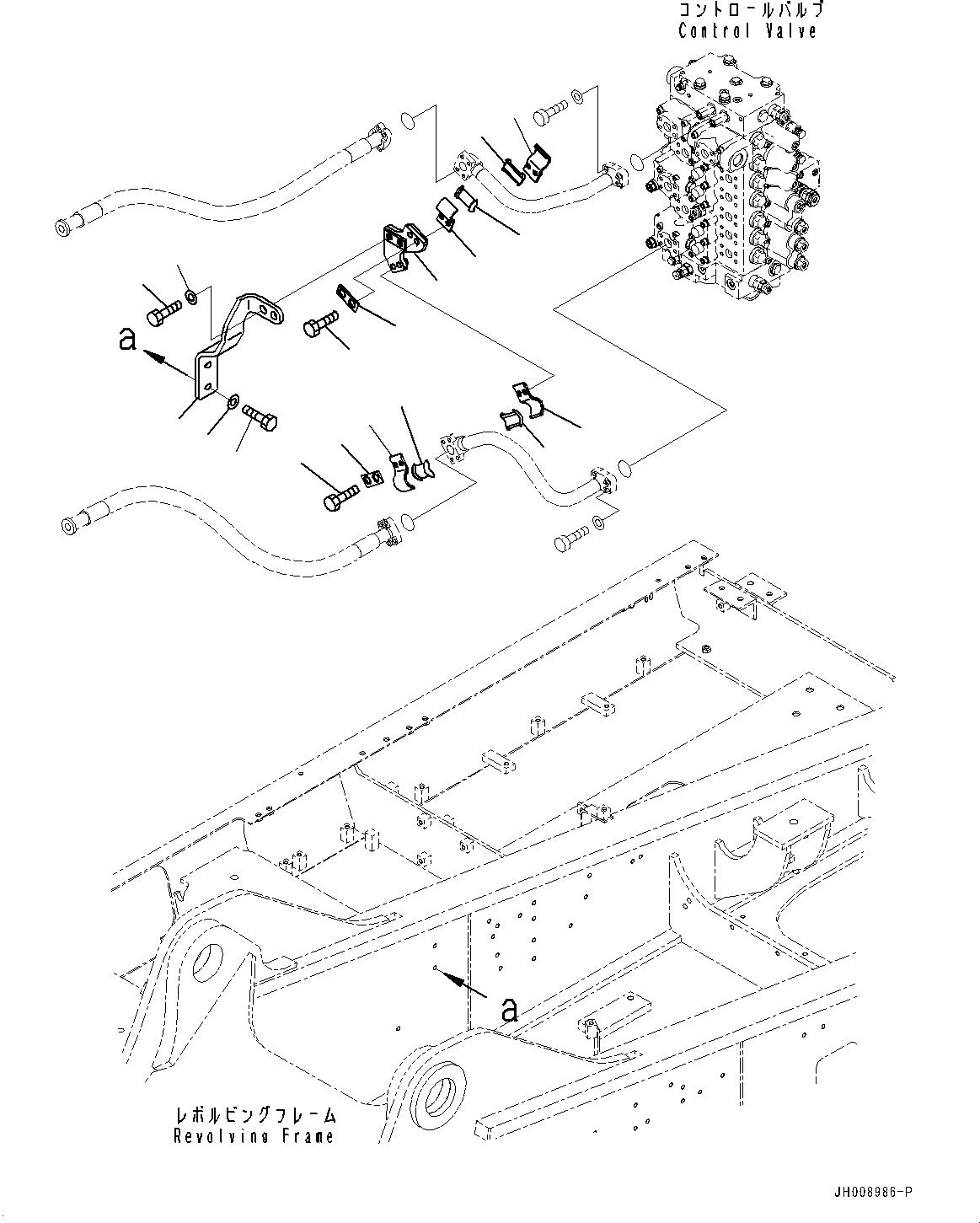
Запчасти Komatsu PC350-8M0 РУКОЯТЬ И КОВШ ТРУБЫ, (/) (№8-) РУКОЯТЬ И КОВШ ТРУБЫ, С РУКОЯТЬ ГИДРАВЛ DRIFT PREВЕНТИЛЯТОРION КЛАПАН

Схема запчастей Komatsu PC350-8M0 - РУКОЯТЬ И КОВШ ТРУБЫ, (/) (№8-) РУКОЯТЬ И КОВШ ТРУБЫ, С РУКОЯТЬ ГИДРАВЛ DRIFT PREВЕНТИЛЯТОРION КЛАПАН
8
7
10
9
8
7
8
7
12
11
12
11
6
5
4
2
3
1
FIT
1:1
100%

Артикул

Название

Примечание

Количество

1

207-62-77281

Bracket

2

01010-81250

Bolt

3

175-54-34170

Washer

4

01010-81240

Bolt

5

175-54-34170

Washer

6

207-62-77271

Bracket

7

207-62-52430

Clamp

8

205-62-73430

Seat

9

207-62-77340

Clamp

10

205-62-73430

Seat

11

01010-81250

Bolt

12

20Y-62-13450

Plate

Выбрано товаров: 12