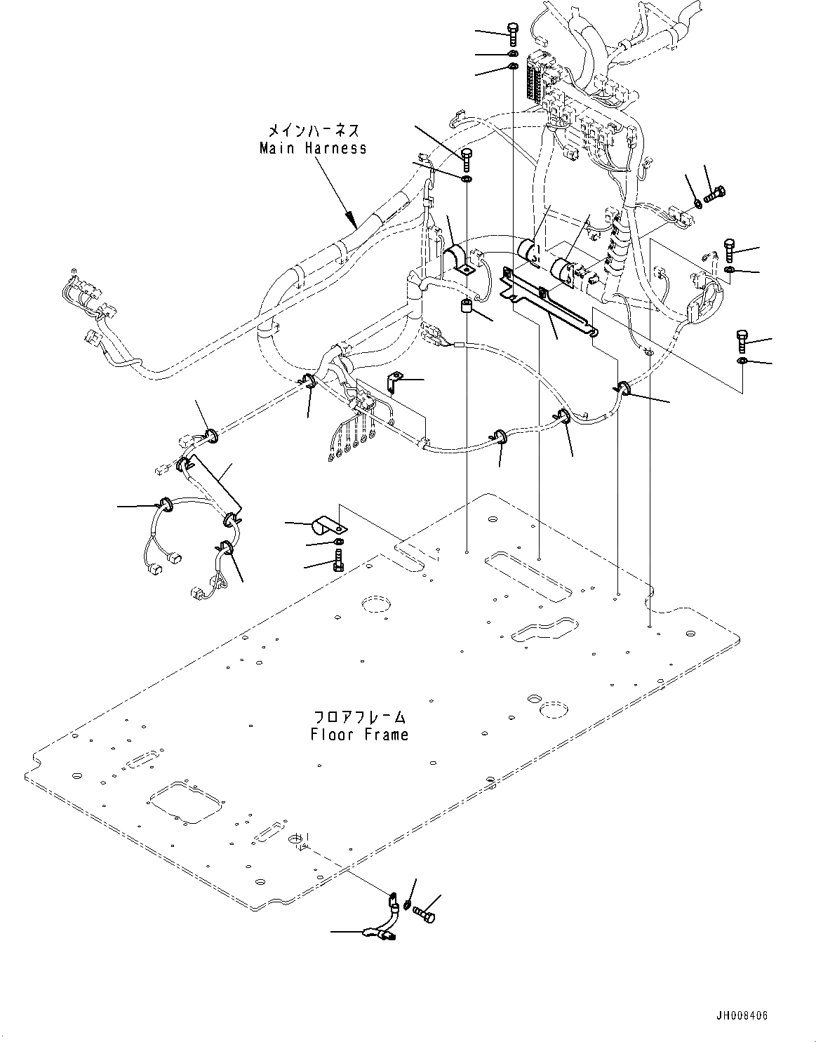
Запчасти Komatsu PC350-8M0 КАБИНА, ПОЛ, ПРОВОДКА КРЕПЛЕНИЕ И GROUND (№8-) КАБИНА, -ДОПОЛН. АКТУАТОР ТРУБЫ, АККУМУЛЯТОР

Схема запчастей Komatsu PC350-8M0 - КАБИНА, ПОЛ, ПРОВОДКА КРЕПЛЕНИЕ И GROUND (№8-) КАБИНА, -ДОПОЛН. АКТУАТОР ТРУБЫ, АККУМУЛЯТОР
24
16
16
3
12
17
2
19
21
20
8
1
5
6
7
10
9
11
13
16
16
16
17
18
22
23
15
14
4
2
3
FIT
1:1
100%

Артикул

Название

Примечание

Количество

1

2A5-43-11732

Bracket

2

01010-81016

Bolt

3

01643-31032

Washer

4

01643-31032

Washer

5

176-911-1690

Clamp

6

208-06-19170

Clip

7

01010-81020

Bolt

8

01643-31032

Washer

9

176-911-1690

Clamp

10

195-33-11220

Spacer

11

01010-81040

Bolt

12

01643-31032

Washer

13

08059-00413

Clip

14

01010-81020

Bolt

15

01643-31032

Washer

16

08034-20519

Band

17

08034-20519

Band

18

08057-14010

Clip

19

04434-51910

Clip

20

01010-81020

Bolt

21

01643-31032

Washer

22

08028-43030

Cable, Ground

23

01010-81020

Bolt

24

01643-31032

Washer

Выбрано товаров: 0