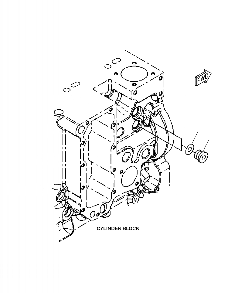
Запчасти Komatsu PC350HD-8 A-AA БЛОК ЦИЛИНДРОВ ОХЛАЖДЕНИЕ МАСЛА ГТР ЗАГЛУШКА ДВИГАТЕЛЬ

Схема запчастей Komatsu PC350HD-8 - A-AA БЛОК ЦИЛИНДРОВ ОХЛАЖДЕНИЕ МАСЛА ГТР ЗАГЛУШКА ДВИГАТЕЛЬ
2
1
FIT
1:1
100%

Артикул

Название

Примечание

Количество

|$0

6216-14-6820

PLUG, THREADED

1

NSS

PLUG, THREADED

2

6216-14-6860

SEAL, O-RING

Выбрано товаров: 3