Качественные детали и логистика
Оригинальные и аналоговые запчасти с доставкой по России, Казахстану и Беларуси
©2022 PartSell ООО "Система" ИНН 2463123282 ОГРН 1212400004838
Центральный офис: г. Красноярск, Академика Киренского, д.87, пом.4
Телефон: 8 (800) 777-65-74 Email: zakaz@partsell.ru
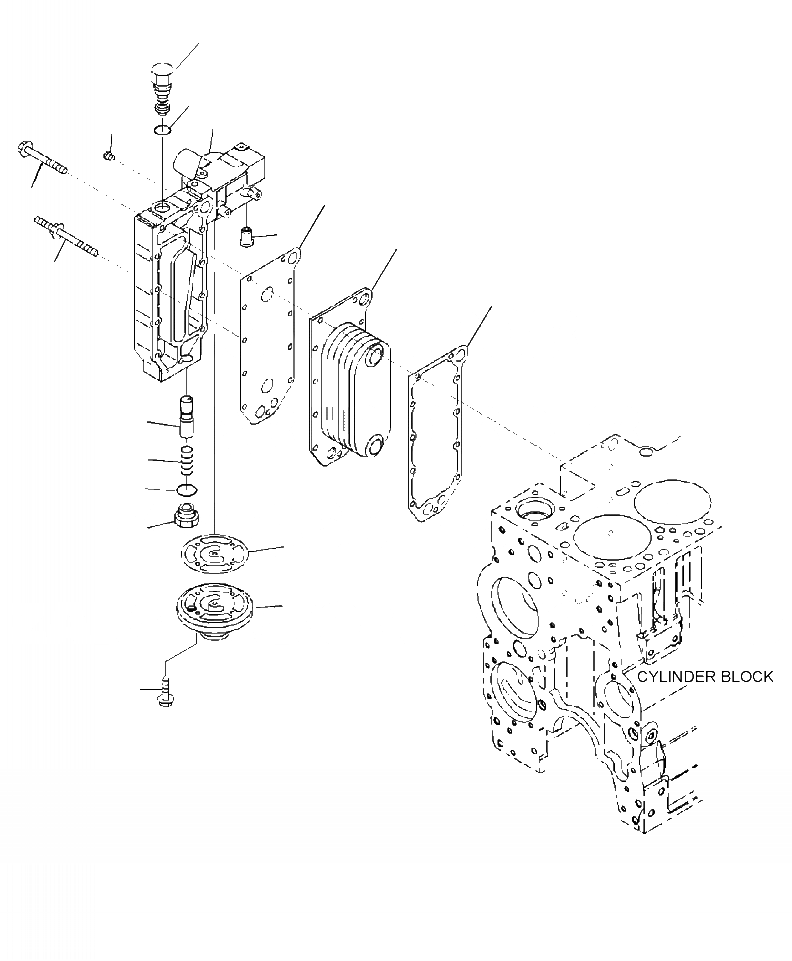
A-AA СИСТЕМА СМАЗКИ МАСЛООХЛАДИТЕЛЬ
№
Артикул
Название
Примечание
Количество
1
6743-61-2112
COVER, LUBRICATING OIL COOLER
2
6731-61-2151
VALVE, PRESSURE RELIEF
3
6742-01-2492
GASKET, CONNECTION
4
6742-01-2500
HEAD, LUBRICATING OIL FILTER
5
6732-21-6610
BOLT
6
6732-11-1930
PLUG, PIPE
7
6742-01-5202
PLUNGER, PRESSURE REGULATOR
8
6743-61-2150
SPRING, COMPRESSION
|$8
6742-01-4220
PLUG, THREADED
9
NSS
10
6742-01-5118
SEAL, O-RING
|$11
6742-01-5117
VALVE, BYPASS
11
12
6742-01-2420
13
6743-51-4430
GASKET, LUBRICATING OIL COOLER COVER
14
6743-61-2210
CORE, COOLER
15
6742-01-1080
GASKET, OIL COOLER CORE
16
6742-01-2441
17
6741-61-6110
Выбрано товаров: 0