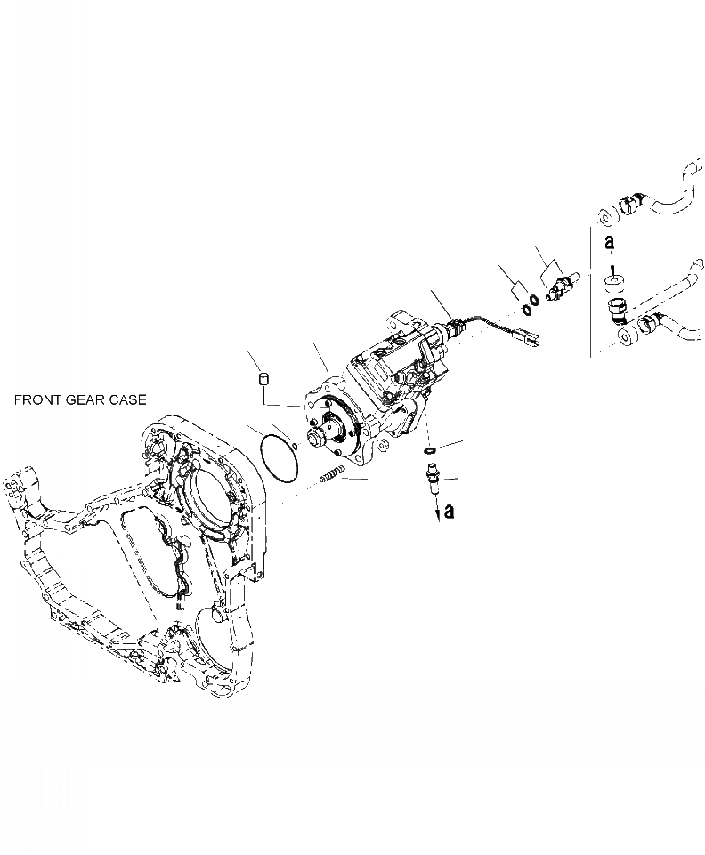
Запчасти Komatsu PC350HD-8 A-AA ТОПЛИВН. НАСОС ДВИГАТЕЛЬ

Схема запчастей Komatsu PC350HD-8 - A-AA ТОПЛИВН. НАСОС ДВИГАТЕЛЬ
2
1
5
3
4
7
8
1
2
6
FIT
1:1
100%

Артикул

Название

Примечание

Количество

1

6745-71-1130

WASHER, SEALING

2

6745-71-6130

CONNECTION, ADAPTER

3

6745-71-1170

PUMP ASSEMBLY, FUEL

4

6744-71-1020

DOWEL, PIN

5

1317 937 H91

ACTUATOR, FUEL CONTROL

Выбрано товаров: 5