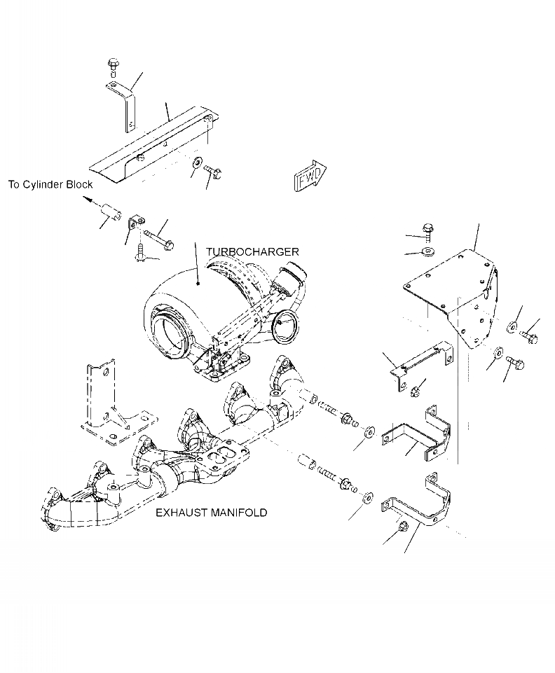
Запчасти Komatsu PC350HD-8 A-AA ТЕРМОЗАЩИТА ДВИГАТЕЛЬ

Схема запчастей Komatsu PC350HD-8 - A-AA ТЕРМОЗАЩИТА ДВИГАТЕЛЬ
15
10
17
16
14
5
6
9
13
11
7
12
7
6
3
4
7
6
8
2
8
4
1
FIT
1:1
100%

Артикул

Название

Примечание

Количество

1

6745-81-8410

BRACKET

2

6745-81-8420

BRACKET

3

6745-81-8430

BRACKET

4

01581-01008

NUT

5

6745-81-8440

COVER

6

01435-00820

BOLT

7

154-61-16570

WASHER

8

01643-31032

WASHER

9

6745-81-8451

COVER

10

6745-11-5310

COVER

11

6050-71-5710

BRACKET

12

01435-00816

BOLT

13

6138-81-8660

SPACER

14

01435-00855

BOLT

15

6743-81-8490

BRACKET

16

01435-00820

BOLT

17

154-61-16570

WASHER

Выбрано товаров: 17